MCUXpresso SDK API Reference Manual  Rev. 0
NXP Semiconductors
 All Data Structures Functions Variables Typedefs Enumerations Enumerator Groups Pages
Display Processing Unit (DPU)

Overview

The SDK provides a peripheral driver for the DPU.

The DPU module consists of many processing units, such as FetchDecode, LayerBlend, and so on. The SDK DPU driver provides separate functions for these processing units.

For a processing unit, there are three kinds of functions:

  1. The initialize functions. These functions are named as DPU_InitXxx. For example, DPU_InitStore. These functions should only be used before display started to initialize the processing units.
  2. The configure functions. These functions are named as DPU_XxxSetYyyConfig. For example, DPU_SetStoreDstBufferConfig. These functions can be used before the display starts to setup configuration. Additionally, they can be used after the display starts to make some runtime changes.
  3. The function to get default configuration.

In the DPU driver, the pipeline is also treated as a processing unit. For example, the unit kDPU_PipelineExtDst0 means the pipeline with unit ExtDst0 as its endpoint. Accordingly, there are functions to initialize the pipeline and configure the pipeline.

Program model

The DPU module provides the shadow registers. The software can write to shadow registers instead of to the active configuration. When a new configuration is completed, the software can trigger the shadowed configuration to be the active configuration.
The DPU driver uses this feature. The shadow load function is enabled during the unit initialization. After all configurations in a pipeline are finished, the function DPU_TriggerPipelineShadowLoad can be called to activate the shadowed configurations. After this, the upper layer should monitor the interrupt status to make sure the shadow load is finished before a new configuration.
The program workflow is like this:

dpu_display_workflow.png
For the blit engine, the driver supports two kinds of methods.

Method 1: Configure and start operation when a previous process finishes. The software workflow is:

  1. Configure the blit engine units.
  2. Trigger the blit engine pipeline shadow load using DPU_TriggerPipelineShadowLoad.
  3. Start the process using DPU_StartStore.
  4. Monitor the DPU store frame complete interrupt.
  5. Repeat from step 1 for a new process.

The workflow flow is:

blit1.png
Method 2: Set the new configuration when the previous process is still on-going. In this case, the software cannot use the store frame complete interrupt to make sure all processes are finished because the software cannot distinguish which frame completion asserts this interrupts. The function DPU_TriggerPipelineCompleteInterrupt should be used in this case. The workflow is:

  1. Configure the blit engine units.
  2. Trigger the blit engine pipeline shadow load using DPU_TriggerPipelineShadowLoad.
  3. Start process using DPU_StartStore.
  4. Monitor the DPU pipeline shadow load interrupt.
  5. If there is new process, then repeat from step 1.
  6. If there is not a new process or the software wants to make sure all processes are finished, call DPU_TriggerPipelineCompleteInterrupt and monitor the pipeline sequence complete interrupt.

The workflow flow is:

blit2.png

Path configuration

The DPU consists of many processing units. The pipeline path should configured carefully for special use cases.
The blit engine diagram is:

dpu_blit_engine_diagram.png
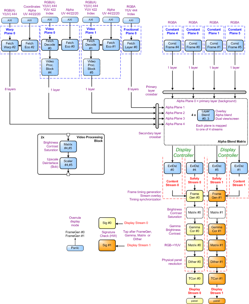
The display controller block diagram is:

dpu_display_diagram.png
Processing units have their primary input (named src or prim) connected to the top side and their secondary input port (named sec), if present, connected to the left or right side in the diagram. The ROP#9 unit has its secondary input right and tertiary (named tert) left side connected.

Note
An active unit must at least have its primary port connected, while secondary and tertiary ports are optional
Note
When both horizontal and vertical scaling is active, then the sequence of both units in the Pixelbus configuration should be
-> HScaler -> VScaler -> when down-scaling horizontally
-> VScaler -> HScaler -> when up-scaling horizontally

The default path configuration after reset is:

reset_path.png

Data Structures

struct  dpu_fetch_unit_config_t
 Configuration structure for fetch units. More...
 
struct  dpu_coordinates_config_t
 Configuration structure for the arbitrary warping re-sampling coordinates. More...
 
struct  dpu_warp_config_t
 Warp configuration structure for FetchWarp unit. More...
 
struct  dpu_src_buffer_config_t
 Fetch unit source buffer configuration structure. More...
 
struct  dpu_clip_window_config_t
 Fetch unit clip window configuration structure. More...
 
struct  dpu_dst_buffer_config_t
 Store unit Destination buffer configuration structure. More...
 
struct  dpu_layer_blend_config_t
 LayerBlend unit configuration structure. More...
 
struct  dpu_blit_blend_config_t
 BlitBlend unit configuration structure. More...
 
struct  dpu_rop_config_t
 ROp unit configuration structure. More...
 
struct  dpu_const_frame_config_t
 ConstFrame unit configuration structure. More...
 
struct  dpu_display_timing_config_t
 Display timing configuration structure. More...
 
struct  dpu_display_config_t
 Display mode configuration structure. More...
 
struct  dpu_scaler_config_t
 VScaler and HScaler configuration structure. More...
 
struct  dpu_signature_config_t
 Signature unit static configuration. More...
 
struct  dpu_signature_window_config_t
 Signature unit evaluation window configuration. More...
 

Macros

#define DPU_PALETTE_ENTRY_NUM   (256U)
 DPU palette entery number. More...
 
#define DPU_FETCH_UNIT_BURST_LENGTH   (16U)
 DPU fetch unit burst length, should be less than 16. More...
 
#define DPU_FETCH_UNIT_BURST_SIZE   (8U * DPU_FETCH_UNIT_BURST_LENGTH)
 DPU fetch unit burst size. More...
 
#define DPU_MAKE_CONST_COLOR(red, green, blue, alpha)   ((((uint32_t)(red)) << 24U) | (((uint32_t)(green)) << 16U) | (((uint32_t)(blue)) << 8U) | ((uint32_t)(alpha)))
 Define the const value that write to <unit>_ConstantColor. More...
 

Enumerations

enum  dpu_unit_t
 DPU units. More...
 
enum  _dpu_interrupt {
  kDPU_Group0Store9ShadowLoadInterrupt = (1U << 0U),
  kDPU_Group0Store9FrameCompleteInterrupt = (1U << 1U),
  kDPU_Group0Store9SeqCompleteInterrupt = (1U << 2U),
  kDPU_Group0ExtDst0ShadowLoadInterrupt = (1U << 3U),
  kDPU_Group0ExtDst0FrameCompleteInterrupt = (1U << 4U),
  kDPU_Group0ExtDst0SeqCompleteInterrupt = (1U << 5U),
  kDPU_Group0ExtDst4ShadowLoadInterrupt = (1U << 6U),
  kDPU_Group0ExtDst4FrameCompleteInterrupt = (1U << 7U),
  kDPU_Group0ExtDst4SeqCompleteInterrupt = (1U << 8U),
  kDPU_Group0ExtDst1ShadowLoadInterrupt = (1U << 9U),
  kDPU_Group0ExtDst1FrameCompleteInterrupt = (1U << 10U),
  kDPU_Group0ExtDst1SeqCompleteInterrupt = (1U << 11U),
  kDPU_Group0ExtDst5ShadowLoadInterrupt = (1U << 12U),
  kDPU_Group0ExtDst5FrameCompleteInterrupt = (1U << 13U),
  kDPU_Group0ExtDst5SeqCompleteInterrupt = (1U << 14U),
  kDPU_Group0Display0ShadowLoadInterrupt = (1U << 15U),
  kDPU_Group0Display0FrameCompleteInterrupt = (1U << 16U),
  kDPU_Group0Display0SeqCompleteInterrupt = (1U << 17U),
  kDPU_Group0FrameGen0Int0Interrupt = (1U << 18U),
  kDPU_Group0FrameGen0Int1Interrupt = (1U << 19U),
  kDPU_Group0FrameGen0Int2Interrupt = (1U << 20U),
  kDPU_Group0FrameGen0Int3Interrupt = (1U << 21U),
  kDPU_Group0Sig0ShadowLoadInterrupt = (1U << 22U),
  kDPU_Group0Sig0ValidInterrupt = (1U << 23U),
  kDPU_Group0Sig0ErrorInterrupt = (1U << 24U),
  kDPU_Group0Display1ShadowLoadInterrupt = (1U << 25U),
  kDPU_Group0Display1FrameCompleteInterrupt = (1U << 26U),
  kDPU_Group0Display1SeqCompleteInterrupt = (1U << 27U),
  kDPU_Group0FrameGen1Int0Interrupt = (1U << 28U),
  kDPU_Group0FrameGen1Int1Interrupt = (1U << 29U),
  kDPU_Group0FrameGen1Int2Interrupt = (1U << 30U),
  kDPU_Group0FrameGen1Int3Interrupt = (1U << 31U),
  kDPU_Group1Sig1ShadowLoadInterrupt = (1U << 0U),
  kDPU_Group1Sig1ValidInterrupt = (1U << 1U),
  kDPU_Group1Sig1ErrorInterrupt = (1U << 2U),
  kDPU_Group1CmdSeqErrorInterrupt = (1U << 4U),
  kDPU_Group1SoftwareInt0Interrupt = (1U << 5U),
  kDPU_Group1SoftwareInt1Interrupt = (1U << 6U),
  kDPU_Group1SoftwareInt2Interrupt = (1U << 7U),
  kDPU_Group1SoftwareInt3Interrupt = (1U << 8U),
  kDPU_Group1FrameGen0PrimSyncOnInterrupt = (1U << 9U),
  kDPU_Group1FrameGen0PrimSyncOffInterrupt = (1U << 10U),
  kDPU_Group1FrameGen0SecSyncOnInterrupt = (1U << 11U),
  kDPU_Group1FrameGen0SecSyncOffInterrupt = (1U << 12U),
  kDPU_Group1FrameGen1PrimSyncOnInterrupt = (1U << 13U),
  kDPU_Group1FrameGen1PrimSyncOffInterrupt = (1U << 14U),
  kDPU_Group1FrameGen1SecSyncOnInterrupt = (1U << 15U),
  kDPU_Group1FrameGen1SecSyncOffInterrupt = (1U << 16U)
}
 DPU interrupt. More...
 
enum  _dpu_unit_source {
  kDPU_UnitSrcNone = 0,
  kDPU_UnitSrcFetchDecode9 = 1U,
  kDPU_UnitSrcFetchWarp9 = 2U,
  kDPU_UnitSrcFetchEco9 = 3U,
  kDPU_UnitSrcRop9 = 4U,
  kDPU_UnitSrcClut9 = 5U,
  kDPU_UnitSrcMatrix9 = 6U,
  kDPU_UnitSrcHScaler9 = 7U,
  kDPU_UnitSrcVScaler9 = 8U,
  kDPU_UnitSrcFilter9 = 9U,
  kDPU_UnitSrcBlitBlend9 = 10U,
  kDPU_UnitSrcStore9 = 11U,
  kDPU_UnitSrcConstFrame0 = 12U,
  kDPU_UnitSrcConstFrame1 = 16U,
  kDPU_UnitSrcConstFrame4 = 14U,
  kDPU_UnitSrcConstFrame5 = 18U,
  kDPU_UnitSrcFetchWarp2 = 20U,
  kDPU_UnitSrcFetchEco2 = 21U,
  kDPU_UnitSrcFetchDecode0 = 22U,
  kDPU_UnitSrcFetchEco0 = 23U,
  kDPU_UnitSrcFetchDecode1 = 24U,
  kDPU_UnitSrcFetchEco1 = 25U,
  kDPU_UnitSrcFetchLayer0 = 26U,
  kDPU_UnitSrcMatrix4 = 27U,
  kDPU_UnitSrcHScaler4 = 28U,
  kDPU_UnitSrcVScaler4 = 29U,
  kDPU_UnitSrcMatrix5 = 30U,
  kDPU_UnitSrcHScaler5 = 31U,
  kDPU_UnitSrcVScaler5 = 32U,
  kDPU_UnitSrcLayerBlend0 = 33U,
  kDPU_UnitSrcLayerBlend1 = 34U,
  kDPU_UnitSrcLayerBlend2 = 35U,
  kDPU_UnitSrcLayerBlend3 = 36U
}
 DPU unit input source. More...
 
enum  dpu_pixel_format_t {
  kDPU_PixelFormatGray8 = 0,
  kDPU_PixelFormatRGB565 = 1,
  kDPU_PixelFormatARGB8888 = 2,
  kDPU_PixelFormatRGB888 = 3,
  kDPU_PixelFormatARGB1555 = 4
}
 DPU pixel format. More...
 
enum  dpu_warp_coordinate_mode_t {
  kDPU_WarpCoordinateModePNT = 0U,
  kDPU_WarpCoordinateModeDPNT = 1U,
  kDPU_WarpCoordinateModeDDPNT = 2U
}
 FetchWarp unit warp coordinate mode. More...
 
enum  dpu_clip_color_mode_t {
  kDPU_ClipColorNull,
  kDPU_ClipColorSublayer
}
 Define the color to take for pixels that do not lie inside the clip window of any layer. More...
 
enum  dpu_alpha_mask_mode_t {
  kDPU_AlphaMaskPrim,
  kDPU_AlphaMaskSec,
  kDPU_AlphaMaskPrimOrSec,
  kDPU_AlphaMaskPrimAndSec,
  kDPU_AlphaMaskPrimInv,
  kDPU_AlphaMaskSecInv,
  kDPU_AlphaMaskPrimOrSecInv,
  kDPU_AlphaMaskPrimAndSecInv
}
 LayerBlend unit AlphaMask mode. More...
 
enum  dpu_blend_mode_t {
  kDPU_BlendZero,
  kDPU_BlendOne,
  kDPU_BlendPrimAlpha,
  kDPU_BlendPrimAlphaInv,
  kDPU_BlendSecAlpha,
  kDPU_BlendSecAlphaInv,
  kDPU_BlendConstAlpha,
  kDPU_BlendConstAlphaInv
}
 LayerBlend unit alpha blend mode. More...
 
enum  dpu_blit_blend_func_t {
  kDPU_BlitBlendFuncGlZero = 0,
  kDPU_BlitBlendFuncGlOne = 1,
  kDPU_BlitBlendFuncGlSrcColor = 0x0300,
  kDPU_BlitBlendFuncGlOneMinusSrcColor = 0x0301,
  kDPU_BlitBlendFuncGlSrcAlpha = 0x0302,
  kDPU_BlitBlendFuncGlOneMinusSrcAlpha = 0x0303,
  kDPU_BlitBlendFuncGlDstAlpha = 0x0304,
  kDPU_BlitBlendFuncGlOneMinusDstAlpha = 0x0305,
  kDPU_BlitBlendFuncGlDstColor = 0x0306,
  kDPU_BlitBlendFuncGlOneMinusDstColor = 0x0307,
  kDPU_BlitBlendFuncGlSrcAlphaSaturate = 0x0308,
  kDPU_BlitBlendFuncGlConstColor = 0x8001,
  kDPU_BlitBlendFuncGlOneMinusConstColor = 0x8002,
  kDPU_BlitBlendFuncGlConstAlpha = 0x8003,
  kDPU_BlitBlendFuncGlOneMinusConstAlpha = 0x8004
}
 BlitBlend blend function. More...
 
enum  dpu_blit_blend_mode_t {
  kDPU_BlitBlendModeGlFuncAdd = 0x8006,
  kDPU_BlitBlendModeGlMin = 0x8007,
  kDPU_BlitBlendModeGlMax = 0x8008,
  kDPU_BlitBlendModeGlFuncSubtract = 0x800A,
  kDPU_BlitBlendModeGlFuncReverseSubtract = 0x800B,
  kDPU_BlitBlendModeVgBlendSrc = 0x2000,
  kDPU_BlitBlendModeVgBlendSrcOver = 0x2001,
  kDPU_BlitBlendModeVgBlendDstOver = 0x2002,
  kDPU_BlitBlendModeVgBlendSrcIn = 0x2003,
  kDPU_BlitBlendModeVgBlendDstIn = 0x2004,
  kDPU_BlitBlendModeVgBlendMultiply = 0x2005,
  kDPU_BlitBlendModeVgBlendScreen = 0x2006,
  kDPU_BlitBlendModeVgBlendDarken = 0x2007,
  kDPU_BlitBlendModeVgBlendLighten = 0x2008,
  kDPU_BlitBlendModeVgBlendAdditive = 0x2009
}
 BlitBlend blend mode. More...
 
enum  dpu_blit_blend_neutral_border_mode_t {
  kDPU_BlitBlendNeutralBorderPrim = 0,
  kDPU_BlitBlendNeutralBorderSec = 0
}
 BlitBlend neutral border mode. More...
 
enum  _dpu_rop_flags {
  kDPU_RopAddRed,
  kDPU_RopAddGreen,
  kDPU_RopAddBlue,
  kDPU_RopAddAlpha,
  kDPU_RopTertDiv2 = DPU_ROP_CONTROL_TertDiv2_MASK,
  kDPU_RopSecDiv2 = DPU_ROP_CONTROL_SecDiv2_MASK,
  kDPU_RopPrimDiv2 = DPU_ROP_CONTROL_PrimDiv2_MASK
}
 ROp unit control flags. More...
 
enum  _dpu_display_timing_flags {
  kDPU_DisplayPixelActiveHigh = 0,
  kDPU_DisplayPixelActiveLow = DPU_DISENGCONF_POLARITYCTRL_PixInv_MASK,
  kDPU_DisplayDataEnableActiveHigh,
  kDPU_DisplayDataEnableActiveLow = 0,
  kDPU_DisplayHsyncActiveHigh = DPU_DISENGCONF_POLARITYCTRL_PolHs_MASK,
  kDPU_DisplayHsyncActiveLow = 0,
  kDPU_DisplayVsyncActiveHigh = DPU_DISENGCONF_POLARITYCTRL_PolVs_MASK,
  kDPU_DisplayVsyncActiveLow = 0
}
 Display timing configuration flags. More...
 
enum  dpu_display_mode_t {
  kDPU_DisplayBlackBackground,
  kDPU_DisplayConstBackground,
  kDPU_DisplayOnlyPrim,
  kDPU_DisplayOnlySec,
  kDPU_DisplayPrimOnTop,
  kDPU_DisplaySecOnTop,
  kDPU_DisplayTest
}
 Display mode, safety stream is the primary input, content stream is the secondary input. More...
 
enum  _dpu_signature_window_flags {
  kDPU_SignatureWindowEnableGlobalPanic = DPU_SIG_EVALCONTROL_EnGlobalPanic_MASK,
  kDPU_SignatureWindowEnableLocalPanic = DPU_SIG_EVALCONTROL_EnLocalPanic_MASK,
  kDPU_SignatureWindowEnableAlphaMask = DPU_SIG_EVALCONTROL_AlphaMask_MASK,
  kDPU_SignatureWindowInvertAlpha = DPU_SIG_EVALCONTROL_AlphaInv_MASK
}
 Signature unit evaluation window control flags. More...
 
enum  _dpu_signature_status {
  kDPU_SignatureIdle = DPU_SIG_STATUS_StsSigIdle_MASK,
  kDPU_SignatureValid = DPU_SIG_STATUS_StsSigValid_MASK
}
 Signature unit status. More...
 

Driver version

#define FSL_DPU_DRIVER_VERSION   (MAKE_VERSION(2, 1, 1))
 Driver version. More...
 

Macros for the DPU unit input source.

The DPU unit input source is controlled by the register pixencfg_<unit>_dynamic, the macros DPU_MAKE_SRC_REG1, DPU_MAKE_SRC_REG2, and DPU_MAKE_SRC_REG3 are used to define the register value of pixencfg_<unit>_dynamic.

DPU_MAKE_SRC_REG1 defines register for DPU unit that has one input source. Accordingly, DPU_MAKE_SRC_REG2 and DPU_MAKE_SRC_REG3 are used to define the register for units that have two and three input source. See _dpu_unit_source for the input source details.

#define DPU_MAKE_SRC_REG1(src)   (((uint32_t)(src)) & 0x3FU)
 Macro for one input source unit. More...
 
#define DPU_MAKE_SRC_REG2(primSrc, secSrc)   ((((uint32_t)(primSrc)) & 0x3FU) | (((((uint32_t)(secSrc)) & 0x3FU) << 0x8U)))
 Macro for two input source unit. More...
 
#define DPU_MAKE_SRC_REG3(primSrc, secSrc, tertSrc)
 Macro for three input source unit. More...
 

Macros define the FrameGen interrupt mode.

These macros are used by the function DPU_SetFrameGenInterruptConfig to set the FrameGen interrupt mode.

#define DPU_FRAME_GEN_INT_DISABLE   0U
 Disable FrameGen interrupt. More...
 
#define DPU_FRAME_GEN_INT_PER_LINE(colNum)   ((1U << 31U) | (1U << 15U) | (((uint32_t)colNum) & (0x3FFFU)))
 Generate FrameGen interrupt every line at the colnum colNum. More...
 
#define DPU_FRAME_GEN_INT_PER_FRAME(rowNum)   ((1U << 31U) | (((uint32_t)rowNum) & 0x3FFF0000U))
 Generate FrameGen interrupt every frame at the row rowNum. More...
 

DPU Initialization and de-initialization

void DPU_Init (IRIS_MVPL_Type *base)
 Initializes the DPU peripheral. More...
 
void DPU_Deinit (IRIS_MVPL_Type *base)
 Deinitializes the DPU peripheral. More...
 
void DPU_PreparePathConfig (IRIS_MVPL_Type *base)
 Prepare the unit path configuration. More...
 

DPU interrupts

void DPU_EnableInterrupts (IRIS_MVPL_Type *base, uint8_t group, uint32_t mask)
 Enable the selected DPU interrupts. More...
 
void DPU_DisableInterrupts (IRIS_MVPL_Type *base, uint8_t group, uint32_t mask)
 Disable the selected DPU interrupts. More...
 
uint32_t DPU_GetInterruptsPendingFlags (IRIS_MVPL_Type *base, uint8_t group)
 Get the DPU interrupts pending status. More...
 
void DPU_ClearInterruptsPendingFlags (IRIS_MVPL_Type *base, uint8_t group, uint32_t mask)
 Clear the specified DPU interrupts pending status. More...
 
void DPU_SetInterruptsPendingFlags (IRIS_MVPL_Type *base, uint8_t group, uint32_t mask)
 Set the specified DPU interrupts pending status. More...
 
void DPU_MaskUserInterrupts (IRIS_MVPL_Type *base, uint8_t group, uint32_t mask)
 Mask the selected DPU user interrupts. More...
 
void DPU_EnableUserInterrupts (IRIS_MVPL_Type *base, uint8_t group, uint32_t mask)
 Enable the selected DPU user interrupts. More...
 
void DPU_DisableUserInterrupts (IRIS_MVPL_Type *base, uint8_t group, uint32_t mask)
 Disable the selected DPU user interrupts. More...
 
uint32_t DPU_GetUserInterruptsPendingFlags (IRIS_MVPL_Type *base, uint8_t group)
 Get the DPU user interrupts pending status. More...
 
void DPU_ClearUserInterruptsPendingFlags (IRIS_MVPL_Type *base, uint8_t group, uint32_t mask)
 Clear the specified DPU user interrupts pending status. More...
 
void DPU_SetUserInterruptsPendingFlags (IRIS_MVPL_Type *base, uint8_t group, uint32_t mask)
 Set the specified DPU user interrupts pending status. More...
 

Shadow load related.

status_t DPU_EnableShadowLoad (IRIS_MVPL_Type *base, dpu_unit_t unit, bool enable)
 Enable or disable the register shadowing for the DPU process units. More...
 

Pipline.

void DPU_InitPipeline (IRIS_MVPL_Type *base, dpu_unit_t unit)
 Initialize the pipeline. More...
 
void DPU_DeinitPipeline (IRIS_MVPL_Type *base, dpu_unit_t unit)
 Deinitializes the pipeline. More...
 
void DPU_TriggerPipelineShadowLoad (IRIS_MVPL_Type *base, dpu_unit_t unit)
 Trigger the pipeline shadow load. More...
 
void DPU_TriggerPipelineCompleteInterrupt (IRIS_MVPL_Type *base, dpu_unit_t unit)
 Trigger the pipeline. More...
 
void DPU_SetUnitSrc (IRIS_MVPL_Type *base, dpu_unit_t unit, uint32_t srcReg)
 Set the DPU unit input source selection. More...
 

Fetch Units

The Fetch unit input frame buffer is used like this:

               <----------------- frameWidth -------------------->
            ^  +-------------------------------------------------+
            |  |         ^                  ^           Frame    |
            |  |         |                  |                    |
            |  |         | offsetY          | Clip window offsetY|
            |  |         v                  |                    |
            |  |<------->+------------------|------+----+        |
frameHeight |  | offsetX | Source Buffer    |      |    |        |
            |  |         |                  v      |    |        |
            |  |         |            +----------------------+   |
            |  |         |            |Clip Window           |   |
            |  | Clip window offsetX  |                      |   |
            |  |<-------------------->|                      |   |
            |  |         |            |                      |   |
            |  |         |            +----------------------+   |
            |  |         |                         |    |        |
            |  |         +-------------------------+----+        |
            |  |                                                 |
            |  |                                                 |
            v  +-------------------------------------------------+
void DPU_FetchUnitGetDefaultConfig (dpu_fetch_unit_config_t *config)
 Get the default configuration for fetch unit. More...
 
void DPU_InitFetchUnit (IRIS_MVPL_Type *base, dpu_unit_t unit, const dpu_fetch_unit_config_t *config)
 Initialize the fetch unit. More...
 
status_t DPU_SetColorPaletteIndexWidth (IRIS_MVPL_Type *base, dpu_unit_t unit, uint8_t indexWidth)
 Set the color palette index width for fetch unit. More...
 
status_t DPU_UpdateColorPalette (IRIS_MVPL_Type *base, dpu_unit_t unit, uint32_t startIndex, const uint32_t *palette, uint32_t count)
 Updates the color palette for fetch unit. More...
 
void DPU_EnableColorPalette (IRIS_MVPL_Type *base, dpu_unit_t unit, uint8_t sublayer, bool enable)
 Enable or disable color palette for some sublayer. More...
 
void DPU_CorrdinatesGetDefaultConfig (dpu_coordinates_config_t *config)
 Get the default configuration structure for arbitrary warping re-sampling coordinates. More...
 
status_t DPU_InitWarpCoordinates (IRIS_MVPL_Type *base, dpu_unit_t unit, const dpu_coordinates_config_t *config)
 Initialize the arbitrary warping coordinates. More...
 
void DPU_FetcUnitGetDefaultWarpConfig (dpu_warp_config_t *config)
 Get the default warp configuration for FetchWarp unit. More...
 
status_t DPU_InitFetchUnitWarp (IRIS_MVPL_Type *base, dpu_unit_t unit, const dpu_warp_config_t *config)
 Initialize the Warp function for FetchWarp unit. More...
 
void DPU_SrcBufferGetDefaultConfig (dpu_src_buffer_config_t *config)
 Get default configuration structure for fetch unit source buffer. More...
 
status_t DPU_SetFetchUnitSrcBufferConfig (IRIS_MVPL_Type *base, dpu_unit_t unit, uint8_t sublayer, const dpu_src_buffer_config_t *config)
 Set the fetch unit sublayer source buffer. More...
 
void DPU_SetFetchUnitSrcBufferAddr (IRIS_MVPL_Type *base, dpu_unit_t unit, uint8_t sublayer, uint32_t baseAddr)
 Set the fetch unit sublayer source buffer base address. More...
 
void DPU_SetFetchUnitFrameSize (IRIS_MVPL_Type *base, dpu_unit_t unit, uint16_t height, uint16_t width)
 Set the fetch unit frame size. More...
 
void DPU_SetFetchUnitOffset (IRIS_MVPL_Type *base, dpu_unit_t unit, uint8_t sublayer, uint16_t offsetX, uint16_t offsetY)
 Set the fetch unit sublayer offset. More...
 
void DPU_EnableFetchUnitSrcBuffer (IRIS_MVPL_Type *base, dpu_unit_t unit, uint8_t sublayer, bool enable)
 Enable or disable fetch unit sublayer source buffer. More...
 
void DPU_ClipWindowGetDefaultConfig (dpu_clip_window_config_t *config)
 Get default configuration structure for clip window. More...
 
void DPU_SetFetchUnitClipWindowConfig (IRIS_MVPL_Type *base, dpu_unit_t unit, uint8_t sublayer, const dpu_clip_window_config_t *config)
 Set the fetch unit sublayer clip window. More...
 
void DPU_EnableFetchUnitClipWindow (IRIS_MVPL_Type *base, dpu_unit_t unit, uint8_t sublayer, bool enable)
 Enable or disable the fetch unit sublayer clip window. More...
 
void DPU_SetFetchUnitClipColor (IRIS_MVPL_Type *base, dpu_unit_t unit, dpu_clip_color_mode_t clipColorMode, uint8_t sublayer)
 Set the fetch unit clip color mode. More...
 

ExtDst Units

void DPU_InitExtDst (IRIS_MVPL_Type *base, dpu_unit_t unit, uint32_t srcReg)
 Initialize the ExtDst unit. More...
 

Store Units

The Store unit output buffer is like this:

                <-------------------- Stride -------------------->
                <------------- bufferWidth ---------------->
             ^  +------------------------------------------------+
             |  |         ^                                |     |
             |  |         |             Destination Buffer |     |
             |  |         | offsetY                        |     |
             |  |         v                                |     |
             |  |<------->+===============+                |     |
bufferHeight |  | offsetX "               "                |     |
             |  |         "  Input Frame  "                |     |
             |  |         "               "                |     |
             |  |         +===============+                |     |
             |  |                                          |     |
             |  |                                          |     |
             |  |                                          |     |
             v  +------------------------------------------------+
void DPU_InitStore (IRIS_MVPL_Type *base, dpu_unit_t unit, uint32_t srcReg)
 Initialize the Store unit. More...
 
status_t DPU_SetStoreDstBufferConfig (IRIS_MVPL_Type *base, dpu_unit_t unit, const dpu_dst_buffer_config_t *config)
 Set the Store unit Destination buffer configuration. More...
 
void DPU_DstBufferGetDefaultConfig (dpu_dst_buffer_config_t *config)
 Get the default configuration for Store unit. More...
 
void DPU_SetStoreDstBufferAddr (IRIS_MVPL_Type *base, dpu_unit_t unit, uint32_t baseAddr)
 Set the Store unit Destination buffer base address. More...
 
void DPU_SetStoreOffset (IRIS_MVPL_Type *base, dpu_unit_t unit, uint16_t offsetX, uint16_t offsetY)
 Set the Store unit output offset. More...
 
void DPU_StartStore (IRIS_MVPL_Type *base, dpu_unit_t unit)
 Start the Store unit. More...
 

Rop units

Rop unit combines up to three input frames to a single output frame, all having the same dimension.

It supports:

  1. Logic Operations Each bit of the RGBA input code is combined with the same bit from the same pixel from the other inputs by any logical operation (= 3 to 1 bit function). The input and output relationship is:
      Tertiary Input  | Secondary Input | Primary Input |       Output
    ==========================================================================
            0         |        0        |       0       |  operation index[0]
    --------------------------------------------------------------------------
            0         |        0        |       1       |  operation index[1]
    --------------------------------------------------------------------------
            0         |        1        |       0       |  operation index[2]
    --------------------------------------------------------------------------
            0         |        1        |       1       |  operation index[3]
    --------------------------------------------------------------------------
            1         |        0        |       0       |  operation index[4]
    --------------------------------------------------------------------------
            1         |        0        |       1       |  operation index[5]
    --------------------------------------------------------------------------
            1         |        1        |       0       |  operation index[6]
    --------------------------------------------------------------------------
            1         |        1        |       1       |  operation index[7]
    ==========================================================================
    
  2. Arithmetic Operations Input RGBA codes can simply be added for each pixel, optionally with an factor 0.5 being applied for averaging two frames.
void DPU_InitRop (IRIS_MVPL_Type *base, dpu_unit_t unit, uint32_t srcReg)
 Initialize the ROp unit. More...
 
void DPU_RopGetDefaultConfig (dpu_rop_config_t *config)
 Get the default ROp unit configuration. More...
 
void DPU_SetRopConfig (IRIS_MVPL_Type *base, dpu_unit_t unit, const dpu_rop_config_t *config)
 Set the ROp unit configuration. More...
 
void DPU_EnableRop (IRIS_MVPL_Type *base, dpu_unit_t unit, bool enable)
 Enable or disable the ROp unit. More...
 

BlitBlend units

void DPU_InitBlitBlend (IRIS_MVPL_Type *base, dpu_unit_t unit, uint32_t srcReg)
 Initialize the BlitBlend unit. More...
 
void DPU_BlitBlendGetDefaultConfig (dpu_blit_blend_config_t *config)
 Get the default BlitBlend unit configuration. More...
 
void DPU_SetBlitBlendConfig (IRIS_MVPL_Type *base, dpu_unit_t unit, const dpu_blit_blend_config_t *config)
 Set the BlitBlend unit configuration. More...
 
void DPU_EnableBlitBlend (IRIS_MVPL_Type *base, dpu_unit_t unit, bool enable)
 Enable or disable the BlitBlend unit. More...
 

LayerBlend units

void DPU_LayerBlendGetDefaultConfig (dpu_layer_blend_config_t *config)
 Get default configuration structure for LayerBlend. More...
 
void DPU_InitLayerBlend (IRIS_MVPL_Type *base, dpu_unit_t unit, uint32_t srcReg)
 Initialize the LayerBlend. More...
 
void DPU_SetLayerBlendConfig (IRIS_MVPL_Type *base, dpu_unit_t unit, const dpu_layer_blend_config_t *config)
 Set the LayerBlend unit configuration. More...
 
void DPU_EnableLayerBlend (IRIS_MVPL_Type *base, dpu_unit_t unit, bool enable)
 Enable or disable the LayerBlend unit. More...
 

ConstFrame units

void DPU_InitConstFrame (IRIS_MVPL_Type *base, dpu_unit_t unit)
 Initialize the ConstFrame unit. More...
 
void DPU_ConstFrameGetDefaultConfig (dpu_const_frame_config_t *config)
 Get default configuration structure for ConstFrame unit. More...
 
void DPU_SetConstFrameConfig (IRIS_MVPL_Type *base, dpu_unit_t unit, const dpu_const_frame_config_t *config)
 Set the ConstFrame unit configuration. More...
 

VScaler and HScaler units

Note
When both horizontal and vertical scaling is active, then the sequence of both units in the Pixelbus configuration should be
-> HScaler -> VScaler ->    when down-scaling horizontally
-> VScaler -> HScaler ->    when up-scaling horizontally
void DPU_InitScaler (IRIS_MVPL_Type *base, dpu_unit_t unit)
 Initialize the VScaler or HScaler unit. More...
 
void DPU_ScalerGetDefaultConfig (dpu_scaler_config_t *config)
 Get default configuration structure for VScaler and HScaler. More...
 
void DPU_SetScalerConfig (IRIS_MVPL_Type *base, dpu_unit_t unit, const dpu_scaler_config_t *config)
 Set the VScaler or HScaler units configuration. More...
 

Display engine

void DPU_DisplayTimingGetDefaultConfig (dpu_display_timing_config_t *config)
 Get default configuration structure for display mode. More...
 
void DPU_InitDisplayTiming (IRIS_MVPL_Type *base, uint8_t displayIndex, const dpu_display_timing_config_t *config)
 Initialize the display timing. More...
 
void DPU_DisplayGetDefaultConfig (dpu_display_config_t *config)
 Get default configuration structure for display frame mode. More...
 
void DPU_SetDisplayConfig (IRIS_MVPL_Type *base, uint8_t displayIndex, const dpu_display_config_t *config)
 Set the display mode. More...
 
void DPU_StartDisplay (IRIS_MVPL_Type *base, uint8_t displayIndex)
 Start the display. More...
 
void DPU_StopDisplay (IRIS_MVPL_Type *base, uint8_t displayIndex)
 Stop the display. More...
 
void DPU_SetFrameGenInterruptConfig (IRIS_MVPL_Type *base, uint8_t displayIndex, uint8_t interruptIndex, uint32_t intConfig)
 Clear the FrameGen unit status flags. More...
 
void DPU_TriggerDisplayShadowLoad (IRIS_MVPL_Type *base, uint8_t displayIndex)
 Trigger the display stream shadow load token. More...
 

Signature unit

The Signature unit could compute the CRC value of interested region and compare to the reference value to detect incorrect display output.

Up to 8 evaluation windows can be setup. Signature computation and reference check is done individually for each window.

A pixel of the input frame does not contribute to more than one window. In case of overlapping windows, the window with larger index is on top.

Alpha mask could be involved into the signature evaluation, thus any kind of shape could be monitored.

Note that the mask is considered for checksum computation only, not for assignment of individual pixels to a certain evaluation window. So, a non-rectangular overlap between different windows is not possible.

An evaluation window could be configured as skipped. This provides another method for monitoring non-rectangular windows. For example:

  +------------------------------------------------+
  |                                                |
  |                                                |
  |    +-------------------+                       |
  |    | Window 0 xxxxxxxxx|                       |
  |    |xxxxxxxxxxxxxxxxxxx|                       |
  |    |xxxxxxxx+-------------------------------+  |
  |    |xxxxxxxx|  Window 1 (Skipped)           |  |
  |    |xxxxxxxx|                               |  |
  |    +--------|                               |  |
  |             |                               |  |
  |             +-------------------------------+  |
  |                                                |
  +------------------------------------------------+

In this example, windows 1 is skipped, in this case, only the shadow part of window 0 is monitored.

void DPU_SignatureGetDefaultConfig (dpu_signature_config_t *config)
 Get Signature unit default configuration. More...
 
void DPU_InitSignature (IRIS_MVPL_Type *base, uint8_t displayIndex, const dpu_signature_config_t *config)
 Initialize the Signature unit. More...
 
void DPU_SignatureWindowGetDefaultConfig (dpu_signature_window_config_t *config)
 Get Signature unit validate window default configuration. More...
 
void DPU_SetSignatureWindowConfig (IRIS_MVPL_Type *base, uint8_t displayIndex, uint8_t windowIndex, const dpu_signature_window_config_t *config)
 Set the Signature unit evaluation window configuration. More...
 
void DPU_EnableSignatureWindowCompute (IRIS_MVPL_Type *base, uint8_t displayIndex, uint8_t windowIndex, bool enable)
 Enable or disable the Signature unit evaluation window CRC value computation. More...
 
void DPU_EnableSignatureWindowCheck (IRIS_MVPL_Type *base, uint8_t displayIndex, uint8_t windowIndex, bool enable)
 Enable or disable the Signature unit evaluation window CRC value check. More...
 
void DPU_GetSignatureWindowCrc (IRIS_MVPL_Type *base, uint8_t displayIndex, uint8_t windowIndex, uint32_t *redCRC, uint32_t *greenCRC, uint32_t *blueCRC)
 Get the measured signature value of the evaluation window. More...
 
void DPU_SetSignatureWindowRefCrc (IRIS_MVPL_Type *base, uint8_t displayIndex, uint8_t windowIndex, uint32_t redCRC, uint32_t greenCRC, uint32_t blueCRC)
 Set the reference signature value of the evaluation window. More...
 
uint32_t DPU_GetSignatureStatus (IRIS_MVPL_Type *base, uint8_t displayIndex)
 Get the signature unit status. More...
 
void DPU_TriggerSignatureShadowLoad (IRIS_MVPL_Type *base, uint8_t displayIndex)
 Trigger the Signature unit configuration shadow load. More...
 

Data Structure Documentation

struct dpu_fetch_unit_config_t

Data Fields

uint32_t srcReg
 This value will be set to register pixengcfg_fetchX_dynamic to set the unit input source, see DPU_MAKE_SRC_REG1. More...
 
uint16_t frameHeight
 Frame height. More...
 
uint16_t frameWidth
 Frame width. More...
 

Field Documentation

uint32_t dpu_fetch_unit_config_t::srcReg
uint16_t dpu_fetch_unit_config_t::frameHeight
uint16_t dpu_fetch_unit_config_t::frameWidth
struct dpu_coordinates_config_t

The coordinate layer supports:

  • 32 bpp: 2 x s12.4 (signed fix-point)
  • 24 bpp: 2 x s8.
  • 16 bpp: 2 x s4.4
  • 8 bpp: 2 x s0.4
  • 4 bpp: 2 x s(-2).4 (means total value size = 2 bits and lowest bit = 2^-4)
  • 2 bpp: 2 x s(-3).4
  • 1 bpp: 1 x s(-3).4 (x and y alternating)

Data Fields

uint8_t bitsPerPixel
 Number of bits per pixel in the source buffer. More...
 
uint16_t strideBytes
 Source buffer stride in bytes. More...
 
uint32_t baseAddr
 Source buffer base address. More...
 
uint16_t frameHeight
 Frame height. More...
 
uint16_t frameWidth
 Frame width. More...
 

Field Documentation

uint8_t dpu_coordinates_config_t::bitsPerPixel

Must be 1, 2, 4, 8, 16, 32.

uint16_t dpu_coordinates_config_t::strideBytes
uint32_t dpu_coordinates_config_t::baseAddr
uint16_t dpu_coordinates_config_t::frameHeight
uint16_t dpu_coordinates_config_t::frameWidth
struct dpu_warp_config_t

Data Fields

uint32_t srcReg
 This value will be set to register pixengcfg_fetchX_dynamic to set the unit input source, see DPU_MAKE_SRC_REG1. More...
 
uint16_t frameHeight
 Frame height. More...
 
uint16_t frameWidth
 Frame width. More...
 
uint8_t warpBitsPerPixel
 Pixel bits of the coordinate layer. More...
 
bool enableSymmetricOffset
 Enables symmetric range for negative and positive coordinate values by adding an offset of +0.03125 internally to all coordinate input values. More...
 
dpu_warp_coordinate_mode_t coordMode
 Coordinate layer mode. More...
 
uint32_t arbStartX
 X of start point position. More...
 
uint32_t arbStartY
 Y of start point position. More...
 
uint8_t arbDeltaYY
 Y of vector between start and first sample point. More...
 
uint8_t arbDeltaYX
 X of vector between start and first sample point. More...
 
uint8_t arbDeltaXY
 Y of vector between first and second sample point. More...
 
uint8_t arbDeltaXX
 X of vector between first and second sample point. More...
 

Field Documentation

uint32_t dpu_warp_config_t::srcReg
uint16_t dpu_warp_config_t::frameHeight
uint16_t dpu_warp_config_t::frameWidth
uint8_t dpu_warp_config_t::warpBitsPerPixel
bool dpu_warp_config_t::enableSymmetricOffset

Recommended for small coordinate formats in DD_PNT mode.

dpu_warp_coordinate_mode_t dpu_warp_config_t::coordMode
uint32_t dpu_warp_config_t::arbStartX

Signed 16.5 fix-point. Used in D_PNT and DD_PNT.

uint32_t dpu_warp_config_t::arbStartY

Signed 16.5 fix-point. Used in D_PNT and DD_PNT.

uint8_t dpu_warp_config_t::arbDeltaYY

Signed 3.5 fix-point. Used in DD_PNT.

uint8_t dpu_warp_config_t::arbDeltaYX

Signed 3.5 fix-point. Used in DD_PNT.

uint8_t dpu_warp_config_t::arbDeltaXY

Signed 3.5 fix-point. Used in DD_PNT.

uint8_t dpu_warp_config_t::arbDeltaXX

Signed 3.5 fix-point. Used in DD_PNT.

struct dpu_src_buffer_config_t

Base address and stride alignment restrictions: 32 bpp: Base address and stride must be a multiple of 4 bytes. 16 bpp: Base address and stride must be a multiple of 2 bytes. others: any byte alignment allowed

Generally, the bitsPerPixel and pixelFormat specify the pixel format in frame buffer, they should match. But when the color palette is used, the bitsPerPixel specify the format in framebuffer, the pixelFormat specify the format in color palette entry.

Data Fields

uint32_t baseAddr
 Source buffer base address, see alignment restrictions. More...
 
uint16_t strideBytes
 Source buffer stride in bytes, see alignment restrictions. More...
 
uint8_t bitsPerPixel
 Bits per pixel in frame buffer. More...
 
dpu_pixel_format_t pixelFormat
 Pixel format. More...
 
uint16_t bufferHeight
 Buffer height. More...
 
uint16_t bufferWidth
 Buffer width. More...
 
uint32_t constColor
 Const color shown in the region out of frame buffer, see DPU_MAKE_CONST_COLOR. More...
 

Field Documentation

uint32_t dpu_src_buffer_config_t::baseAddr
uint16_t dpu_src_buffer_config_t::strideBytes
uint8_t dpu_src_buffer_config_t::bitsPerPixel
dpu_pixel_format_t dpu_src_buffer_config_t::pixelFormat
uint16_t dpu_src_buffer_config_t::bufferHeight
uint16_t dpu_src_buffer_config_t::bufferWidth
uint32_t dpu_src_buffer_config_t::constColor
struct dpu_clip_window_config_t

Data Fields

uint16_t windowOffsetX
 Horizontal offset of the clip window. More...
 
uint16_t windowOffsetY
 Vertical offset of the clip window. More...
 
uint16_t windowHeight
 Height of the clip window. More...
 
uint16_t windowWidth
 Width of the clip window. More...
 

Field Documentation

uint16_t dpu_clip_window_config_t::windowOffsetX
uint16_t dpu_clip_window_config_t::windowOffsetY
uint16_t dpu_clip_window_config_t::windowHeight
uint16_t dpu_clip_window_config_t::windowWidth
struct dpu_dst_buffer_config_t

Base address and stride alignment restrictions: 32 bpp: Base address and stride must be a multiple of 4 bytes. 16 bpp: Base address and stride must be a multiple of 2 bytes. others: any byte alignment allowed

Data Fields

uint32_t baseAddr
 Destination buffer base address, see alignment restrictions. More...
 
uint16_t strideBytes
 Destination buffer stride in bytes, see alignment restrictions. More...
 
uint8_t bitsPerPixel
 Bits per pixel. More...
 
dpu_pixel_format_t pixelFormat
 Pixel format. More...
 
uint16_t bufferHeight
 Buffer height. More...
 
uint16_t bufferWidth
 Buffer width. More...
 

Field Documentation

uint32_t dpu_dst_buffer_config_t::baseAddr
uint16_t dpu_dst_buffer_config_t::strideBytes
uint8_t dpu_dst_buffer_config_t::bitsPerPixel
dpu_pixel_format_t dpu_dst_buffer_config_t::pixelFormat
uint16_t dpu_dst_buffer_config_t::bufferHeight
uint16_t dpu_dst_buffer_config_t::bufferWidth
struct dpu_layer_blend_config_t

Data Fields

uint8_t constAlpha
 The const alpha value used in blend. More...
 
dpu_blend_mode_t secAlphaBlendMode
 Secondary (overlay) input alpha blending function. More...
 
dpu_blend_mode_t primAlphaBlendMode
 Primary (background) input alpha blending function. More...
 
dpu_blend_mode_t secColorBlendMode
 Secondary (overlay) input color blending function. More...
 
dpu_blend_mode_t primColorBlendMode
 Primary (background) input color blending function. More...
 
uint32_t srcReg
 This value will be set to pixengcfg_layerblendX_dynamic to set the unit input source, see DPU_MAKE_SRC_REG2. More...
 
bool enableAlphaMask
 Enable AlphaMask feature. More...
 
dpu_alpha_mask_mode_t alphaMaskMode
 AlphaMask mode, only valid when enableAlphaMask is true. More...
 

Field Documentation

uint8_t dpu_layer_blend_config_t::constAlpha
dpu_blend_mode_t dpu_layer_blend_config_t::secAlphaBlendMode
dpu_blend_mode_t dpu_layer_blend_config_t::primAlphaBlendMode
dpu_blend_mode_t dpu_layer_blend_config_t::secColorBlendMode
dpu_blend_mode_t dpu_layer_blend_config_t::primColorBlendMode
uint32_t dpu_layer_blend_config_t::srcReg
bool dpu_layer_blend_config_t::enableAlphaMask
dpu_alpha_mask_mode_t dpu_layer_blend_config_t::alphaMaskMode
struct dpu_blit_blend_config_t

Data Fields

uint8_t neutralBorderRightPixels
 Number of neutral right border pixels. More...
 
uint8_t neutralBorderLeftPixels
 Number of neutral left border pixels. More...
 
dpu_blit_blend_neutral_border_mode_t neutralBorderMode
 Neutral border mode. More...
 
uint32_t constColor
 Const color used for blit blend, see DPU_MAKE_CONST_COLOR. More...
 
dpu_blit_blend_func_t redBlendFuncSrc
 Red component source blend function.
 
dpu_blit_blend_func_t redBlendFuncDst
 Red component destination blend function.
 
dpu_blit_blend_func_t greenBlendFuncSrc
 Green component source blend function.
 
dpu_blit_blend_func_t greenBlendFuncDst
 Green component destination blend function.
 
dpu_blit_blend_func_t blueBlendFuncSrc
 Blue component source blend function.
 
dpu_blit_blend_func_t blueBlendFuncDst
 Blue component destination blend function.
 
dpu_blit_blend_func_t alphaBlendFuncSrc
 Alpha component source blend function.
 
dpu_blit_blend_func_t alphaBlendFuncDst
 Alpha component destination blend function.
 
dpu_blit_blend_mode_t redBlendMode
 Red component blend mode.
 
dpu_blit_blend_mode_t greenBlendMode
 Green component blend mode.
 
dpu_blit_blend_mode_t blueBlendMode
 Blue component blend mode.
 
dpu_blit_blend_mode_t alphaBlendMode
 Alpha component blend mode.
 

Field Documentation

uint8_t dpu_blit_blend_config_t::neutralBorderRightPixels
uint8_t dpu_blit_blend_config_t::neutralBorderLeftPixels
dpu_blit_blend_neutral_border_mode_t dpu_blit_blend_config_t::neutralBorderMode
uint32_t dpu_blit_blend_config_t::constColor
struct dpu_rop_config_t

Data Fields

uint32_t controlFlags
 Control flags, see _dpu_rop_flags. More...
 
uint8_t alphaIndex
 Alpha operation index. More...
 
uint8_t blueIndex
 Blue operation index. More...
 
uint8_t greenIndex
 Green operation index. More...
 
uint8_t redIndex
 Red operation index. More...
 

Field Documentation

uint32_t dpu_rop_config_t::controlFlags
uint8_t dpu_rop_config_t::alphaIndex
uint8_t dpu_rop_config_t::blueIndex
uint8_t dpu_rop_config_t::greenIndex
uint8_t dpu_rop_config_t::redIndex
struct dpu_const_frame_config_t

Data Fields

uint16_t frameHeight
 Frame height. More...
 
uint16_t frameWidth
 Frame width. More...
 
uint32_t constColor
 See DPU_MAKE_CONST_COLOR. More...
 

Field Documentation

uint16_t dpu_const_frame_config_t::frameHeight
uint16_t dpu_const_frame_config_t::frameWidth
uint32_t dpu_const_frame_config_t::constColor
struct dpu_display_timing_config_t

Data Fields

uint16_t flags
 OR'ed value of _dpu_display_timing_flags. More...
 
uint16_t width
 Active width. More...
 
uint16_t hsw
 HSYNC pulse width. More...
 
uint16_t hfp
 Horizontal front porch. More...
 
uint16_t hbp
 Horizontal back porch. More...
 
uint16_t height
 Active height. More...
 
uint16_t vsw
 VSYNC pulse width. More...
 
uint16_t vfp
 Vrtical front porch. More...
 
uint16_t vbp
 Vertical back porch. More...
 

Field Documentation

uint16_t dpu_display_timing_config_t::flags
uint16_t dpu_display_timing_config_t::width
uint16_t dpu_display_timing_config_t::hsw
uint16_t dpu_display_timing_config_t::hfp
uint16_t dpu_display_timing_config_t::hbp
uint16_t dpu_display_timing_config_t::height
uint16_t dpu_display_timing_config_t::vsw
uint16_t dpu_display_timing_config_t::vfp
uint16_t dpu_display_timing_config_t::vbp
struct dpu_display_config_t

Data Fields

bool enablePrimAlpha
 Enable primary input alpha for screen composition. More...
 
bool enableSecAlpha
 Enable secondary input alpha for screen composition. More...
 
dpu_display_mode_t displayMode
 Display mode. More...
 
bool enablePrimAlphaInPanic
 Enable primary input alpha for screen composition in panic mode. More...
 
bool enableSecAlphaInPanic
 Enable secondary input alpha for screen composition in panic mode. More...
 
dpu_display_mode_t displayModeInPanic
 Display mode in panic mode. More...
 
uint16_t constRed
 Const red value, 10-bit. More...
 
uint16_t constGreen
 Const green value, 10-bit. More...
 
uint16_t constBlue
 Const green value, 10-bit. More...
 
uint8_t constAlpha
 Const alpha value, 1-bit. More...
 
uint16_t primAreaStartX
 Primary screen upper left corner, x component. More...
 
uint16_t primAreaStartY
 Primary screen upper left corner, y component. More...
 
uint16_t secAreaStartX
 Secondary screen upper left corner, x component. More...
 
uint16_t secAreaStartY
 Secondary screen upper left corner, y component. More...
 

Field Documentation

bool dpu_display_config_t::enablePrimAlpha
bool dpu_display_config_t::enableSecAlpha
dpu_display_mode_t dpu_display_config_t::displayMode
bool dpu_display_config_t::enablePrimAlphaInPanic
bool dpu_display_config_t::enableSecAlphaInPanic
dpu_display_mode_t dpu_display_config_t::displayModeInPanic
uint16_t dpu_display_config_t::constRed
uint16_t dpu_display_config_t::constGreen
uint16_t dpu_display_config_t::constBlue
uint8_t dpu_display_config_t::constAlpha
uint16_t dpu_display_config_t::primAreaStartX

14-bit , start from 1.

uint16_t dpu_display_config_t::primAreaStartY

14-bit, start from 1.

uint16_t dpu_display_config_t::secAreaStartX

14-bit, start from 1.

uint16_t dpu_display_config_t::secAreaStartY

14-bit, start from 1.

struct dpu_scaler_config_t

Data Fields

uint32_t srcReg
 This value will be set to register pixengcfg_slacer_dynamic to set the unit input source, see DPU_MAKE_SRC_REG1. More...
 
uint16_t inputSize
 For HScaler, it is frame width, for VScaler, it is frame height. More...
 
uint16_t outputSize
 For HScaler, it is frame width, for VScaler, it is frame height. More...
 

Field Documentation

uint32_t dpu_scaler_config_t::srcReg

When down-scaling horizontally, the path should be -> HScaler -> VScaler ->, When up-scaling horizontally, the path should be -> VScaler -> HScaler ->.

uint16_t dpu_scaler_config_t::inputSize
uint16_t dpu_scaler_config_t::outputSize
struct dpu_signature_config_t

Data Fields

uint8_t errorThreshold
 Number of frames with signature violation before signature error is set for an evaluation window. More...
 
uint8_t errorResetThreshold
 Number of consecutive frames without signature violation before signature error is reset for an evaluation window. More...
 
uint8_t panicRed
 Constant color shown in the window when local panic happens. More...
 
uint8_t panicGreen
 Constant color shown in the window when local panic happens. More...
 
uint8_t panicBlue
 Constant color shown in the window when local panic happens. More...
 
uint8_t panicAlpha
 Constant color shown in the window when local panic happens. More...
 

Field Documentation

uint8_t dpu_signature_config_t::errorThreshold
uint8_t dpu_signature_config_t::errorResetThreshold
uint8_t dpu_signature_config_t::panicRed
uint8_t dpu_signature_config_t::panicGreen
uint8_t dpu_signature_config_t::panicBlue
uint8_t dpu_signature_config_t::panicAlpha

Must be 0 or 1

struct dpu_signature_window_config_t

Data Fields

uint32_t controlFlags
 Control flags, OR'ed valud of _dpu_signature_window_flags. More...
 
uint16_t upperLeftX
 X coordinate of the upper left corner. More...
 
uint16_t upperLeftY
 Y coordinate of the upper left corner. More...
 
uint16_t lowerRightX
 X coordinate of the lower right corner. More...
 
uint16_t lowerRightY
 Y coordinate of the lower right corner. More...
 

Field Documentation

uint32_t dpu_signature_window_config_t::controlFlags
uint16_t dpu_signature_window_config_t::upperLeftX
uint16_t dpu_signature_window_config_t::upperLeftY
uint16_t dpu_signature_window_config_t::lowerRightX
uint16_t dpu_signature_window_config_t::lowerRightY

Macro Definition Documentation

#define FSL_DPU_DRIVER_VERSION   (MAKE_VERSION(2, 1, 1))
#define DPU_PALETTE_ENTRY_NUM   (256U)
#define DPU_FETCH_UNIT_BURST_LENGTH   (16U)
#define DPU_FETCH_UNIT_BURST_SIZE   (8U * DPU_FETCH_UNIT_BURST_LENGTH)

If prefetch is used, the frame buffer stride and base address should be aligned to the burst size.

#define DPU_MAKE_SRC_REG1 (   src)    (((uint32_t)(src)) & 0x3FU)
#define DPU_MAKE_SRC_REG2 (   primSrc,
  secSrc 
)    ((((uint32_t)(primSrc)) & 0x3FU) | (((((uint32_t)(secSrc)) & 0x3FU) << 0x8U)))
#define DPU_MAKE_SRC_REG3 (   primSrc,
  secSrc,
  tertSrc 
)
Value:
((((uint32_t)(primSrc)) & 0x3FU) | ((((uint32_t)(secSrc)) & 0x3FU) << 0x8U) | \
(((((uint32_t)(tertSrc)) & 0x3FU) << 0x10U)))
#define DPU_MAKE_CONST_COLOR (   red,
  green,
  blue,
  alpha 
)    ((((uint32_t)(red)) << 24U) | (((uint32_t)(green)) << 16U) | (((uint32_t)(blue)) << 8U) | ((uint32_t)(alpha)))
#define DPU_FRAME_GEN_INT_DISABLE   0U
#define DPU_FRAME_GEN_INT_PER_LINE (   colNum)    ((1U << 31U) | (1U << 15U) | (((uint32_t)colNum) & (0x3FFFU)))
#define DPU_FRAME_GEN_INT_PER_FRAME (   rowNum)    ((1U << 31U) | (((uint32_t)rowNum) & 0x3FFF0000U))

Enumeration Type Documentation

enum dpu_unit_t
Enumerator
kDPU_Group0Store9ShadowLoadInterrupt 

Store9 shadow load interrupt.

kDPU_Group0Store9FrameCompleteInterrupt 

Store9 frame complete interrupt.

kDPU_Group0Store9SeqCompleteInterrupt 

Store9 sequence complete interrupt.

kDPU_Group0ExtDst0ShadowLoadInterrupt 

ExtDst0 shadow load interrupt.

kDPU_Group0ExtDst0FrameCompleteInterrupt 

ExtDst0 frame complete interrupt.

kDPU_Group0ExtDst0SeqCompleteInterrupt 

ExtDst0 sequence complete interrupt.

kDPU_Group0ExtDst4ShadowLoadInterrupt 

ExtDst4 shadow load interrupt.

kDPU_Group0ExtDst4FrameCompleteInterrupt 

ExtDst4 frame complete interrupt.

kDPU_Group0ExtDst4SeqCompleteInterrupt 

ExtDst4 sequence complete interrupt.

kDPU_Group0ExtDst1ShadowLoadInterrupt 

ExtDst1 shadow load interrupt.

kDPU_Group0ExtDst1FrameCompleteInterrupt 

ExtDst1 frame complete interrupt.

kDPU_Group0ExtDst1SeqCompleteInterrupt 

ExtDst1 sequence complete interrupt.

kDPU_Group0ExtDst5ShadowLoadInterrupt 

ExtDst5 shadow load interrupt.

kDPU_Group0ExtDst5FrameCompleteInterrupt 

ExtDst5 frame complete interrupt.

kDPU_Group0ExtDst5SeqCompleteInterrupt 

ExtDst5 sequence complete interrupt.

kDPU_Group0Display0ShadowLoadInterrupt 

Display stream 0 shadow load interrupt.

kDPU_Group0Display0FrameCompleteInterrupt 

Display stream 0 frame complete interrupt.

kDPU_Group0Display0SeqCompleteInterrupt 

Display stream 0 sequence complete interrupt.

kDPU_Group0FrameGen0Int0Interrupt 

FrameGen 0 interrupt 0.

kDPU_Group0FrameGen0Int1Interrupt 

FrameGen 0 interrupt 1.

kDPU_Group0FrameGen0Int2Interrupt 

FrameGen 0 interrupt 2.

kDPU_Group0FrameGen0Int3Interrupt 

FrameGen 0 interrupt 3.

kDPU_Group0Sig0ShadowLoadInterrupt 

Sig0 shadow load interrupt.

kDPU_Group0Sig0ValidInterrupt 

Sig0 measurement valid interrupt.

kDPU_Group0Sig0ErrorInterrupt 

Sig0 error interrupt.

kDPU_Group0Display1ShadowLoadInterrupt 

Display stream 1 shadow load interrupt.

kDPU_Group0Display1FrameCompleteInterrupt 

Display stream 1 frame complete interrupt.

kDPU_Group0Display1SeqCompleteInterrupt 

Display stream 1 sequence complete interrupt.

kDPU_Group0FrameGen1Int0Interrupt 

FrameGen 1 interrupt 0.

kDPU_Group0FrameGen1Int1Interrupt 

FrameGen 1 interrupt 1.

kDPU_Group0FrameGen1Int2Interrupt 

FrameGen 1 interrupt 2.

kDPU_Group0FrameGen1Int3Interrupt 

FrameGen 1 interrupt 3.

kDPU_Group1Sig1ShadowLoadInterrupt 

Sig1 shadow load interrupt.

kDPU_Group1Sig1ValidInterrupt 

Sig1 measurement valid interrupt.

kDPU_Group1Sig1ErrorInterrupt 

Sig1 error interrupt.

kDPU_Group1CmdSeqErrorInterrupt 

Command sequencer error interrupt.

kDPU_Group1SoftwareInt0Interrupt 

Common software interrupt 0.

kDPU_Group1SoftwareInt1Interrupt 

Common software interrupt 1.

kDPU_Group1SoftwareInt2Interrupt 

Common software interrupt 2.

kDPU_Group1SoftwareInt3Interrupt 

Common software interrupt 3.

kDPU_Group1FrameGen0PrimSyncOnInterrupt 

Safety stream 0 synchronized interrupt.

kDPU_Group1FrameGen0PrimSyncOffInterrupt 

Safety stream 0 loss synchronization interrupt.

kDPU_Group1FrameGen0SecSyncOnInterrupt 

Content stream 0 synchronized interrupt.

kDPU_Group1FrameGen0SecSyncOffInterrupt 

Content stream 0 loss synchronization interrupt.

kDPU_Group1FrameGen1PrimSyncOnInterrupt 

Safety stream 1 synchronized interrupt.

kDPU_Group1FrameGen1PrimSyncOffInterrupt 

Safety stream 1 loss synchronization interrupt.

kDPU_Group1FrameGen1SecSyncOnInterrupt 

Content stream 1 synchronized interrupt.

kDPU_Group1FrameGen1SecSyncOffInterrupt 

Content stream 1 loss synchronization interrupt.

Enumerator
kDPU_UnitSrcNone 

Disable the input source.

kDPU_UnitSrcFetchDecode9 

The input source is fetch decode 9.

kDPU_UnitSrcFetchWarp9 

The input source is fetch warp 9.

kDPU_UnitSrcFetchEco9 

The input source is fetch eco 9.

kDPU_UnitSrcRop9 

The input source is rop 9.

kDPU_UnitSrcClut9 

The input source is CLUT 9.

kDPU_UnitSrcMatrix9 

The input source is matrix 9.

kDPU_UnitSrcHScaler9 

The input source is HScaler 9.

kDPU_UnitSrcVScaler9 

The input source is VScaler 9.

kDPU_UnitSrcFilter9 

The input source is Filter 9.

kDPU_UnitSrcBlitBlend9 

The input source is BlitBlend 9.

kDPU_UnitSrcStore9 

The input source is Store 9.

kDPU_UnitSrcConstFrame0 

The input source is ConstFrame 0.

kDPU_UnitSrcConstFrame1 

The input source is ConstFrame 1.

kDPU_UnitSrcConstFrame4 

The input source is ConstFrame 4.

kDPU_UnitSrcConstFrame5 

The input source is ConstFrame 5.

kDPU_UnitSrcFetchWarp2 

The input source is FetchWarp 2.

kDPU_UnitSrcFetchEco2 

The input source is FetchEco 2.

kDPU_UnitSrcFetchDecode0 

The input source is FetchDecode 0.

kDPU_UnitSrcFetchEco0 

The input source is FetchEco 0.

kDPU_UnitSrcFetchDecode1 

The input source is FetchDecode 1.

kDPU_UnitSrcFetchEco1 

The input source is FetchEco 1.

kDPU_UnitSrcFetchLayer0 

The input source is FetchLayer 0.

kDPU_UnitSrcMatrix4 

The input source is Matrix 4.

kDPU_UnitSrcHScaler4 

The input source is HScaler 4.

kDPU_UnitSrcVScaler4 

The input source is VScaler 4.

kDPU_UnitSrcMatrix5 

The input source is Matrix 5.

kDPU_UnitSrcHScaler5 

The input source is HScaler 5.

kDPU_UnitSrcVScaler5 

The input source is VScaler 5.

kDPU_UnitSrcLayerBlend0 

The input source is LayerBlend 0.

kDPU_UnitSrcLayerBlend1 

The input source is LayerBlend 1.

kDPU_UnitSrcLayerBlend2 

The input source is LayerBlend 2.

kDPU_UnitSrcLayerBlend3 

The input source is LayerBlend 3.

To support more pixel format, enhance this enum and the array s_dpuColorComponentFormats.

Enumerator
kDPU_PixelFormatGray8 

8-bit gray.

kDPU_PixelFormatRGB565 

RGB565, 16-bit per pixel.

kDPU_PixelFormatARGB8888 

ARGB8888, 32-bit per pixel.

kDPU_PixelFormatRGB888 

RGB888, 24-bit per pixel.

kDPU_PixelFormatARGB1555 

ARGB1555, 16-bit per pixel.

Enumerator
kDPU_WarpCoordinateModePNT 

Sample points positions are read from coordinate layer.

kDPU_WarpCoordinateModeDPNT 

Sample points start position and delta are read from coordinate layer.

kDPU_WarpCoordinateModeDDPNT 

Sample points initial value and delta increase value are read from coordinate layer.

Enumerator
kDPU_ClipColorNull 

Use null color.

kDPU_ClipColorSublayer 

Use color of sublayer.

Enumerator
kDPU_AlphaMaskPrim 

Areas with primary input alpha > 128 mapped to alpha 255, the rest mapped to 0.

kDPU_AlphaMaskSec 

Areas with secondary input alpha > 128 mapped to alpha 255, the rest mapped to 0.

kDPU_AlphaMaskPrimOrSec 

Primary and secondary OR'ed together.

kDPU_AlphaMaskPrimAndSec 

Primary and secondary AND'ed together.

kDPU_AlphaMaskPrimInv 

Primary input alpha inverted.

kDPU_AlphaMaskSecInv 

Secondary input alpha inverted.

kDPU_AlphaMaskPrimOrSecInv 

Primary and inverted secondary OR'ed together.

kDPU_AlphaMaskPrimAndSecInv 

Primary and inverted secondary AND'ed together.

Enumerator
kDPU_BlendZero 

OUT = IN * 0.

kDPU_BlendOne 

OUT = IN * 1.

kDPU_BlendPrimAlpha 

OUT = IN * ALPHA_primary.

kDPU_BlendPrimAlphaInv 

OUT = IN * (1 - ALPHA_primary).

kDPU_BlendSecAlpha 

OUT = IN * ALPHA_secondary.

kDPU_BlendSecAlphaInv 

OUT = IN * (1 - ALPHA_secondary).

kDPU_BlendConstAlpha 

OUT = IN * ALPHA_const.

kDPU_BlendConstAlphaInv 

OUT = IN * (1 - ALPHA_const).

Enumerator
kDPU_BlitBlendFuncGlZero 

GL_ZERO.

kDPU_BlitBlendFuncGlOne 

GL_ONE.

kDPU_BlitBlendFuncGlSrcColor 

GL_SRC_COLOR.

kDPU_BlitBlendFuncGlOneMinusSrcColor 

GL_ONE_MINUS_SRC_COLOR.

kDPU_BlitBlendFuncGlSrcAlpha 

GL_SRC_ALPHA.

kDPU_BlitBlendFuncGlOneMinusSrcAlpha 

GL_ONE_MINUS_SRC_ALPHA.

kDPU_BlitBlendFuncGlDstAlpha 

GL_DST_ALPHA.

kDPU_BlitBlendFuncGlOneMinusDstAlpha 

GL_ONE_MINUS_DST_ALPHA.

kDPU_BlitBlendFuncGlDstColor 

GL_DST_COLOR.

kDPU_BlitBlendFuncGlOneMinusDstColor 

GL_ONE_MINUS_DST_COLOR.

kDPU_BlitBlendFuncGlSrcAlphaSaturate 

GL_SRC_ALPHA_SATURATE.

kDPU_BlitBlendFuncGlConstColor 

GL_CONSTANT_COLOR.

kDPU_BlitBlendFuncGlOneMinusConstColor 

GL_ONE_MINUS_CONSTANT_COLOR.

kDPU_BlitBlendFuncGlConstAlpha 

GL_CONSTANT_ALPHA.

kDPU_BlitBlendFuncGlOneMinusConstAlpha 

GL_ONE_MINUS_CONSTANT_ALPHA.

Enumerator
kDPU_BlitBlendModeGlFuncAdd 

GL_FUNC_ADD.

kDPU_BlitBlendModeGlMin 

GL_MIN.

kDPU_BlitBlendModeGlMax 

GL_MAX.

kDPU_BlitBlendModeGlFuncSubtract 

GL_FUNC_SUBTRACT.

kDPU_BlitBlendModeGlFuncReverseSubtract 

GL_FUNC_REVERSE_SUBTRACT.

kDPU_BlitBlendModeVgBlendSrc 

VG_BLEND_SRC.

kDPU_BlitBlendModeVgBlendSrcOver 

VG_BLEND_SRC_OVER.

kDPU_BlitBlendModeVgBlendDstOver 

VG_BLEND_DST_OVER.

kDPU_BlitBlendModeVgBlendSrcIn 

VG_BLEND_SRC_IN.

kDPU_BlitBlendModeVgBlendDstIn 

VG_BLEND_DST_IN.

kDPU_BlitBlendModeVgBlendMultiply 

VG_BLEND_MULTIPLY.

kDPU_BlitBlendModeVgBlendScreen 

VG_BLEND_SCREEN.

kDPU_BlitBlendModeVgBlendDarken 

VG_BLEND_DARKEN.

kDPU_BlitBlendModeVgBlendLighten 

VG_BLEND_LIGHTEN.

kDPU_BlitBlendModeVgBlendAdditive 

VG_BLEND_ADDITIVE.

Enumerator
kDPU_BlitBlendNeutralBorderPrim 

Bypasses primary pixel.

kDPU_BlitBlendNeutralBorderSec 

Bypasses secondary pixel.

Enumerator
kDPU_RopAddRed 

Set to add the red component, otherwise raster with operation index.

kDPU_RopAddGreen 

Set to add the green component, otherwise raster with operation index.

kDPU_RopAddBlue 

Set to add the blue component, otherwise raster with operation index.

kDPU_RopAddAlpha 

Set to add the alpha component, otherwise raster with operation index.

kDPU_RopTertDiv2 

In add mode, set this to divide tertiary port input by 2.

kDPU_RopSecDiv2 

In add mode, set this to divide secondary port input by 2.

kDPU_RopPrimDiv2 

In add mode, set this to divide primary port input by 2.

Enumerator
kDPU_DisplayPixelActiveHigh 

Pixel data active high.

kDPU_DisplayPixelActiveLow 

Pixel data active low.

kDPU_DisplayDataEnableActiveHigh 

Set to make data enable high active.

kDPU_DisplayDataEnableActiveLow 

Set to make data enable high low.

kDPU_DisplayHsyncActiveHigh 

Set to make HSYNC high active.

kDPU_DisplayHsyncActiveLow 

Set to make HSYNC low active.

kDPU_DisplayVsyncActiveHigh 

Set to make VSYNC high active.

kDPU_DisplayVsyncActiveLow 

Set to make VSYNC low active.

Enumerator
kDPU_DisplayBlackBackground 

Black background is shown.

kDPU_DisplayConstBackground 

Const color background is shown.

kDPU_DisplayOnlyPrim 

Only primary input is shown.

kDPU_DisplayOnlySec 

Only secondary input is shown.

kDPU_DisplayPrimOnTop 

Both inputs overlaid with primary on top.

kDPU_DisplaySecOnTop 

Both inputs overlaid with secondary on top.

kDPU_DisplayTest 

White background with test pattern shown.

Enumerator
kDPU_SignatureWindowEnableGlobalPanic 

When enabled the window error will activate display stream the panic mode.

kDPU_SignatureWindowEnableLocalPanic 

When enabled the window error will replace pixels in window to the const panic color.

kDPU_SignatureWindowEnableAlphaMask 

When enabled pixels with alpha bit = 0 are ignored for signature computation.

kDPU_SignatureWindowInvertAlpha 

When enabled pixels with alpha bit = 1 are ignored for signature computation.

Enumerator
kDPU_SignatureIdle 

Signature unit is in idle status.

kDPU_SignatureValid 

Signature unit is in idle status.

Function Documentation

void DPU_Init ( IRIS_MVPL_Type *  base)

This function ungates the DPU clock.

Parameters
baseDPU peripheral base address.
void DPU_Deinit ( IRIS_MVPL_Type *  base)

This function gates the DPU clock.

Parameters
baseDPU peripheral base address.
void DPU_PreparePathConfig ( IRIS_MVPL_Type *  base)

The DPU has a default path configuration. Before changing the configuration, this function could be used to break all the original path. This make sure one pixel engine unit is not used in multiple pipelines.

Parameters
baseDPU peripheral base address.
void DPU_EnableInterrupts ( IRIS_MVPL_Type *  base,
uint8_t  group,
uint32_t  mask 
)

For example, to enable Store9 shadow load interrupt and Store9 frame complete interrupt, use like this:

Parameters
baseDPU peripheral base address.
groupInterrupt group index.
maskThe interrupts to enable, this is a logical OR of members in _dpu_interrupt.
Note
Only the members in the same group could be OR'ed, at the same time, the parameter group should be passed in correctly.
void DPU_DisableInterrupts ( IRIS_MVPL_Type *  base,
uint8_t  group,
uint32_t  mask 
)

For example, to disable Store9 shadow load interrupt and Store9 frame complete interrupt, use like this:

Parameters
baseDPU peripheral base address.
groupInterrupt group index.
maskThe interrupts to disable, this is a logical OR of members in _dpu_interrupt.
Note
Only the members in the same group could be OR'ed, at the same time, the parameter group should be passed in correctly.
uint32_t DPU_GetInterruptsPendingFlags ( IRIS_MVPL_Type *  base,
uint8_t  group 
)

The pending status are returned as mask. For example, to check the Store9 shadow load interrupt and Store9 frame complete interrupt pending status, use like this.

uint32_t pendingStatus = DPU_GetInterruptsPendingFlags(DPU, 0);
{
Store9 shadow load interrupt occurs, handle it.
}
{
Store9 frame complete interrupt occurs, handle it.
}
Parameters
baseDPU peripheral base address.
groupInterrupt group index.
Returns
The interrupts pending status mask value, see _dpu_interrupt.
void DPU_ClearInterruptsPendingFlags ( IRIS_MVPL_Type *  base,
uint8_t  group,
uint32_t  mask 
)

For example, to disable Store9 shadow load interrupt and Store9 frame complete interrupt pending status, use like this:

DPU_ClearInterruptsPendingFlags(DPU, 0, kDPU_Group0Store9ShadowLoadInterrupt |
kDPU_Group0Store9FrameCompleteInterrupt);
Parameters
baseDPU peripheral base address.
groupInterrupt group index.
maskThe interrupt pending flags to clear, this is a logical OR of members in _dpu_interrupt.
Note
Only the members in the same group could be OR'ed, at the same time, the parameter group should be passed in correctly.
void DPU_SetInterruptsPendingFlags ( IRIS_MVPL_Type *  base,
uint8_t  group,
uint32_t  mask 
)

This function sets the interrupts pending flags, this is a method to trigger interrupts by software.

Parameters
baseDPU peripheral base address.
groupInterrupt group index.
maskThe interrupt pending flags to set, this is a logical OR of members in _dpu_interrupt.
Note
Only the members in the same group could be OR'ed, at the same time, the parameter group should be passed in correctly.
void DPU_MaskUserInterrupts ( IRIS_MVPL_Type *  base,
uint8_t  group,
uint32_t  mask 
)

The only difference between DPU user interrupt and normal interrupt is user interrupts could be masked by DPU_MaskUserInterrupts. All other APIs useage are the same.

Parameters
baseDPU peripheral base address.
groupInterrupt group index.
maskThe interrupts to mask, this is a logical OR of members in _dpu_interrupt.
void DPU_EnableUserInterrupts ( IRIS_MVPL_Type *  base,
uint8_t  group,
uint32_t  mask 
)

The only difference between DPU user interrupt and normal interrupt is user interrupts could be masked by DPU_MaskUserInterrupts.

Parameters
baseDPU peripheral base address.
groupInterrupt group index.
maskThe interrupts to enable, this is a logical OR of members in _dpu_interrupt.
void DPU_DisableUserInterrupts ( IRIS_MVPL_Type *  base,
uint8_t  group,
uint32_t  mask 
)

The only difference between DPU user interrupt and normal interrupt is user interrupts could be masked by DPU_MaskUserInterrupts.

Parameters
baseDPU peripheral base address.
groupInterrupt group index.
maskThe interrupts to disable, this is a logical OR of members in _dpu_interrupt.
uint32_t DPU_GetUserInterruptsPendingFlags ( IRIS_MVPL_Type *  base,
uint8_t  group 
)

The only difference between DPU user interrupt and normal interrupt is user interrupts could be masked by DPU_MaskUserInterrupts.

Parameters
baseDPU peripheral base address.
groupInterrupt group index.
Returns
The interrupts pending status mask value, see _dpu_interrupt.
void DPU_ClearUserInterruptsPendingFlags ( IRIS_MVPL_Type *  base,
uint8_t  group,
uint32_t  mask 
)

The only difference between DPU user interrupt and normal interrupt is user interrupts could be masked by DPU_MaskUserInterrupts.

Parameters
baseDPU peripheral base address.
groupInterrupt group index.
maskThe interrupt pending flags to clear, this is a logical OR of members in _dpu_interrupt.
void DPU_SetUserInterruptsPendingFlags ( IRIS_MVPL_Type *  base,
uint8_t  group,
uint32_t  mask 
)

The only difference between DPU user interrupt and normal interrupt is user interrupts could be masked by DPU_MaskUserInterrupts.

Parameters
baseDPU peripheral base address.
groupInterrupt group index.
maskThe interrupt pending flags to set, this is a logical OR of members in _dpu_interrupt.
status_t DPU_EnableShadowLoad ( IRIS_MVPL_Type *  base,
dpu_unit_t  unit,
bool  enable 
)

For example, to enable the shadowing of all RWS registers of the pipeline with endpoint Store9.

DPU_EnableShadowLoad(DPU, kDPU_PipelineStore9, true);
Parameters
baseDPU peripheral base address.
unitThe unit whose shadow load to enable or disable, see dpu_unit_t.
enableTrue to enable, false to disable.
Return values
kStatus_SuccessThe shadow load is enabled or disabled successfully.
kStatus_InvalidArgumentThe unit does not support shadow load.
void DPU_InitPipeline ( IRIS_MVPL_Type *  base,
dpu_unit_t  unit 
)
Parameters
baseDPU peripheral base address.
unitThe DPU pipeline unit.
void DPU_DeinitPipeline ( IRIS_MVPL_Type *  base,
dpu_unit_t  unit 
)

Power down the pipeline and disable the shadow load feature.

Parameters
baseDPU peripheral base address.
unitThe DPU pipeline unit.
void DPU_TriggerPipelineShadowLoad ( IRIS_MVPL_Type *  base,
dpu_unit_t  unit 
)

This function triggers the pipeline reconfiguration.

Parameters
baseDPU peripheral base address.
unitThe DPU pipeline unit.
void DPU_TriggerPipelineCompleteInterrupt ( IRIS_MVPL_Type *  base,
dpu_unit_t  unit 
)

This function triggers the pipeline sequence complete interrupt. After triggered, this interrupt occurs when the pipeline is empty and no more operations are pending. It will occur immediately, when this is the case already during activation of the trigger. Generally this is used for the blit operation, to make sure all operations finished.

Parameters
baseDPU peripheral base address.
unitThe DPU pipeline unit.
void DPU_SetUnitSrc ( IRIS_MVPL_Type *  base,
dpu_unit_t  unit,
uint32_t  srcReg 
)

Sets the DPU unit input source, the input source is controlled by the register <unit>_dynamic in "Pixel Engin Top Level". This function writes the register <unit>_dynamic directly, please check the reference manual for the register details. This function only changes the input source control bits in register.

Parameters
baseDPU peripheral base address.
unitThe DPU pipeline unit.
srcRegThe value written to register <unit>_dynamic. Could be generated using DPU_MAKE_SRC_REG1, DPU_MAKE_SRC_REG2, and DPU_MAKE_SRC_REG3.
void DPU_FetchUnitGetDefaultConfig ( dpu_fetch_unit_config_t config)

The default value is:

config->srcReg = 0U;
config->frameHeight = 320U;
config->frameWidth = 480U;
Parameters
configPointer to the configuration structure.
void DPU_InitFetchUnit ( IRIS_MVPL_Type *  base,
dpu_unit_t  unit,
const dpu_fetch_unit_config_t config 
)

This function initializes the fetch unit for the basic use, for other use case such as arbitrary warping, use the functions DPU_InitFetchUnitWarp and DPU_InitWarpCoordinates.

The input source of fetch unit could be:

Parameters
baseDPU peripheral base address.
unitDPU unit, see dpu_unit_t, must be fetch unit here.
configPointer to the configuration structure.
status_t DPU_SetColorPaletteIndexWidth ( IRIS_MVPL_Type *  base,
dpu_unit_t  unit,
uint8_t  indexWidth 
)

The palette index width could be 1 to 8. Note the difference between palette index width and the pixel width in framebuffer.

Parameters
baseDPU peripheral base address.
unitDPU unit, see dpu_unit_t, must be FetchDecode or FetchLayer here.
indexWidthThe palette index width.
Return values
kStatus_SuccessInitialization success.
kStatus_InvalidArgumentWrong argument.
status_t DPU_UpdateColorPalette ( IRIS_MVPL_Type *  base,
dpu_unit_t  unit,
uint32_t  startIndex,
const uint32_t *  palette,
uint32_t  count 
)

This function updates the fetch unit color palette, the palette values specified by palette are loaded to fetch unit from startIndex. The load count is specified by count.

Parameters
baseDPU peripheral base address.
unitDPU unit, see dpu_unit_t, must be FetchDecode or FetchLayer here.
startIndexThe start index of the fetch unit palette to update.
palettePointer to the palette.
countCount of palette.
Return values
kStatus_SuccessInitialization success.
kStatus_InvalidArgumentWrong argument.
void DPU_EnableColorPalette ( IRIS_MVPL_Type *  base,
dpu_unit_t  unit,
uint8_t  sublayer,
bool  enable 
)
Parameters
baseDPU peripheral base address.
unitDPU unit, see dpu_unit_t, must be FetchDecode or FetchLayer here.
sublayerSublayer index, should be 0 to 7.
enableTrue to enable, false to disable.
void DPU_CorrdinatesGetDefaultConfig ( dpu_coordinates_config_t config)

The default value is:

config->bitsPerPixel = 0U;
config->strideBytes = 0x500U;
config->baseAddr = 0U;
config->frameHeight = 320U;
config->frameWidth = 480U;
Parameters
configPointer to the configuration structure.
status_t DPU_InitWarpCoordinates ( IRIS_MVPL_Type *  base,
dpu_unit_t  unit,
const dpu_coordinates_config_t config 
)

This function initializes the FetchEco unit, so that it could be used as the arbitrary warping coordinates.

Parameters
baseDPU peripheral base address.
unitDPU unit, see dpu_unit_t, must be FetchEco here.
configPointer to the configuration structure.
Return values
kStatus_SuccessInitialization success.
kStatus_InvalidArgumentWrong argument.
void DPU_FetcUnitGetDefaultWarpConfig ( dpu_warp_config_t config)

The default value is:

config->srcReg = 0U;
config->frameHeight = 320U;
config->frameWidth = 480U;
config->warpBitsPerPixel = 0U;
config->enableSymmetricOffset = false;
config->coordMode = kDPU_WarpCoordinateModePNT;
config->arbStartX = 0U;
config->arbStartY = 0U;
config->arbDeltaYY = 0U;
config->arbDeltaYX = 0U;
config->arbDeltaXY = 0U;
config->arbDeltaXX = 0U;
Parameters
configPointer to the configuration structure.
status_t DPU_InitFetchUnitWarp ( IRIS_MVPL_Type *  base,
dpu_unit_t  unit,
const dpu_warp_config_t config 
)

This function initializes the FetchWarp unit for the arbitrary warping.

The valid source of fetch warp unit could be:

Parameters
baseDPU peripheral base address.
unitDPU unit, see dpu_unit_t, must be FetchWarp unit here.
configPointer to the configuration structure.
Return values
kStatus_SuccessInitialization success.
kStatus_InvalidArgumentWrong argument.
void DPU_SrcBufferGetDefaultConfig ( dpu_src_buffer_config_t config)

The default value is:

config->baseAddr = 0U;
config->strideBytes = 0x500U;
config->bitsPerPixel = 32U;
config->pixelFormat = kDPU_PixelFormatARGB8888;
config->bufferHeight = 0U;
config->bufferWidth = 0U;
config->constColor = DPU_MAKE_CONST_COLOR(0, 0, 0, 0);
Parameters
configPointer to the configuration structure.
status_t DPU_SetFetchUnitSrcBufferConfig ( IRIS_MVPL_Type *  base,
dpu_unit_t  unit,
uint8_t  sublayer,
const dpu_src_buffer_config_t config 
)
Parameters
baseDPU peripheral base address.
unitDPU unit, see dpu_unit_t, must be fetch unit here.
sublayerSublayer index, should be 0 to 7.
configPointer to the configuration structure.
Return values
kStatus_SuccessInitialization success.
kStatus_InvalidArgumentWrong argument.
void DPU_SetFetchUnitSrcBufferAddr ( IRIS_MVPL_Type *  base,
dpu_unit_t  unit,
uint8_t  sublayer,
uint32_t  baseAddr 
)
Parameters
baseDPU peripheral base address.
unitDPU unit, see dpu_unit_t, must be fetch unit here.
sublayerSublayer index, should be 0 to 7.
baseAddrSource buffer base address.
void DPU_SetFetchUnitFrameSize ( IRIS_MVPL_Type *  base,
dpu_unit_t  unit,
uint16_t  height,
uint16_t  width 
)
Parameters
baseDPU peripheral base address.
unitDPU unit, see dpu_unit_t, must be fetch unit here.
heightFrame height.
widthFrame width.
void DPU_SetFetchUnitOffset ( IRIS_MVPL_Type *  base,
dpu_unit_t  unit,
uint8_t  sublayer,
uint16_t  offsetX,
uint16_t  offsetY 
)
Parameters
baseDPU peripheral base address.
unitDPU unit, see dpu_unit_t, must be fetch unit here.
sublayerSublayer index, should be 0 to 7.
offsetXHorizontal offset.
offsetYVertical offset.
void DPU_EnableFetchUnitSrcBuffer ( IRIS_MVPL_Type *  base,
dpu_unit_t  unit,
uint8_t  sublayer,
bool  enable 
)
Parameters
baseDPU peripheral base address.
unitDPU unit, see dpu_unit_t, must be fetch unit here.
sublayerSublayer index, should be 0 to 7.
enableTrue to enable, false to disable.
void DPU_ClipWindowGetDefaultConfig ( dpu_clip_window_config_t config)

The default value is:

config->windowOffsetX = 0U;
config->windowOffsetY = 0U;
config->windowHeight = 0U;
config->windowWidth = 0U;
Parameters
configPointer to the configuration structure.
void DPU_SetFetchUnitClipWindowConfig ( IRIS_MVPL_Type *  base,
dpu_unit_t  unit,
uint8_t  sublayer,
const dpu_clip_window_config_t config 
)
Parameters
baseDPU peripheral base address.
unitDPU unit, see dpu_unit_t, must be fetch unit here.
sublayerSublayer index, should be 0 to 7.
configPointer to the configuration structure.
void DPU_EnableFetchUnitClipWindow ( IRIS_MVPL_Type *  base,
dpu_unit_t  unit,
uint8_t  sublayer,
bool  enable 
)
Parameters
baseDPU peripheral base address.
unitDPU unit, see dpu_unit_t, must be fetch unit here.
sublayerSublayer index, should be 0 to 7.
enableTrue to enable, false to disable.
void DPU_SetFetchUnitClipColor ( IRIS_MVPL_Type *  base,
dpu_unit_t  unit,
dpu_clip_color_mode_t  clipColorMode,
uint8_t  sublayer 
)

This function selects which color to take for pixels that do not lie inside the clip window of any layer.

Parameters
baseDPU peripheral base address.
unitDPU unit, see dpu_unit_t, must be fetch unit here.
clipColorModeSelect null color or use sublayer color.
sublayerSelect which sublayer's color to use when clipColorMode is kDPU_ClipColorSublayer.
void DPU_InitExtDst ( IRIS_MVPL_Type *  base,
dpu_unit_t  unit,
uint32_t  srcReg 
)
void DPU_InitStore ( IRIS_MVPL_Type *  base,
dpu_unit_t  unit,
uint32_t  srcReg 
)

The valid input source of the store unit could be:

Parameters
baseDPU peripheral base address.
unitDPU unit, see dpu_unit_t, must be Store unit here.
srcRegInput source selecte register value, pixencfg_extdstX_dynamic see DPU_MAKE_SRC_REG1.
status_t DPU_SetStoreDstBufferConfig ( IRIS_MVPL_Type *  base,
dpu_unit_t  unit,
const dpu_dst_buffer_config_t config 
)
Parameters
baseDPU peripheral base address.
unitDPU unit, see dpu_unit_t, must be Store unit here.
configPointer to the configuration.
Return values
kStatus_SuccessInitialization success.
kStatus_InvalidArgumentWrong argument.
void DPU_DstBufferGetDefaultConfig ( dpu_dst_buffer_config_t config)

The default value is:

config->baseAddr = 0U;
config->strideBytes = 0x500U;
config->bitsPerPixel = 32U,
config->pixelFormat = kDPU_PixelFormatARGB8888;
config->bufferHeight = 0U;
config->bufferWidth = 0U;
Parameters
configPointer to the configuration.
void DPU_SetStoreDstBufferAddr ( IRIS_MVPL_Type *  base,
dpu_unit_t  unit,
uint32_t  baseAddr 
)

This function is run time used for better performance.

Parameters
baseDPU peripheral base address.
unitDPU unit, see dpu_unit_t, must be Store unit here.
baseAddrBase address of the Destination buffer to set.
void DPU_SetStoreOffset ( IRIS_MVPL_Type *  base,
dpu_unit_t  unit,
uint16_t  offsetX,
uint16_t  offsetY 
)
Parameters
baseDPU peripheral base address.
unitDPU unit, see dpu_unit_t, must be Store unit here.
offsetXHorizontal offset.
offsetYVertical offset.
Note
The horizontal offset has limitations for some formats. It must be a multiple of
  • 8 for 1 bpp buffers
  • 4 for 2 bpp and 18 bpp buffers
  • 2 for 4 bpp buffers
void DPU_StartStore ( IRIS_MVPL_Type *  base,
dpu_unit_t  unit 
)

This function starts the Store unit to save the frame to output buffer. When the frame store completed, the interrupt flag kDPU_Group0Store9FrameCompleteInterrupt asserts.

This is an example shows how to use Store unit:

Initialize the Store unit, use FetchDecode9 output as its input.
DPU_InitStore(DPU, kDPU_Store9, DPU_MAKE_SRC_REG1(kDPU_UnitSrcFetchDecode9));
Configure the Store unit output buffer.
DPU_SetStoreDstBufferConfig(DPU, kDPU_Store9, &DstBufferConfig);
Configure FetchDecode9 unit, including source buffer setting and so on.
...
Initialize the Store9 pipeline
DPU_InitPipeline(DPU, kDPU_PipelineStore9);
DPU_ClearUserInterruptsPendingFlags(DPU, kDPU_Group0Store9ShadowLoadInterrupt);
Trigger the shadow load
DPU_TriggerPipelineShadowLoad(DPU, kDPU_PipelineStore9);
DPU_ClearUserInterruptsPendingFlags(DPU, kDPU_Group0Store9FrameCompleteInterrupt);
Start the Store9 to convert and output.
DPU_StartStore(DPU, kDPU_Store9);
Wait for Store 9 completed, this could also be monitored by interrupt.
while (!(kDPU_Group0Store9FrameCompleteInterrupt & DPU_GetUserInterruptsPendingFlags(DPU, 0))
{
}

For better performance, it is allowed to set next operation while current is still in progress. Upper layer could set next operation immediately after shadow load finished.

Parameters
baseDPU peripheral base address.
unitDPU unit, see dpu_unit_t, must be Store unit here.
void DPU_InitRop ( IRIS_MVPL_Type *  base,
dpu_unit_t  unit,
uint32_t  srcReg 
)

The primary input source of the unit could be:

The secondary input source of the unit could be:

The tert input source of the unit could be:

Parameters
baseDPU peripheral base address.
unitDPU unit, see dpu_unit_t, must be Rop unit here.
srcRegUnit source selection, see DPU_MAKE_SRC_REG3.
void DPU_RopGetDefaultConfig ( dpu_rop_config_t config)

The default configuration is:

config->controlFlags = 0U;
config->alphaIndex = 0U;
config->blueIndex = 0U;
config->greenIndex = 0U;
config->redIndex = 0U;
Parameters
configPointer to the configuration structure.
void DPU_SetRopConfig ( IRIS_MVPL_Type *  base,
dpu_unit_t  unit,
const dpu_rop_config_t config 
)
Parameters
baseDPU peripheral base address.
unitDPU unit, see dpu_unit_t, must be Rop unit here.
configPointer to the configuration structure.
void DPU_EnableRop ( IRIS_MVPL_Type *  base,
dpu_unit_t  unit,
bool  enable 
)

If disabled, only the primary input is output.

Parameters
baseDPU peripheral base address.
unitDPU unit, see dpu_unit_t, must be Rop unit here.
enablePass true to enable, false to disable.
void DPU_InitBlitBlend ( IRIS_MVPL_Type *  base,
dpu_unit_t  unit,
uint32_t  srcReg 
)

The valid input primary source could be:

The valid input secondary source could be:

Parameters
baseDPU peripheral base address.
unitDPU unit, see dpu_unit_t, must be BlitBlend unit here.
srcRegUnit source selection, see DPU_MAKE_SRC_REG2.
void DPU_BlitBlendGetDefaultConfig ( dpu_blit_blend_config_t config)

The default configuration is:

config->neutralBorderRightPixels = 0U;
config->neutralBorderLeftPixels = 0U;
config->neutralBorderMode = kDPU_BlitBlendNeutralBorderPrim;
config->constColor = DPU_MAKE_CONST_COLOR(0, 0, 0, 0);
config->redBlendFuncSrc = kDPU_BlitBlendFuncGlSrcColor;
config->redBlendFuncDst = kDPU_BlitBlendFuncGlSrcColor;
config->greenBlendFuncSrc = kDPU_BlitBlendFuncGlSrcColor;
config->greenBlendFuncDst = kDPU_BlitBlendFuncGlSrcColor;
config->blueBlendFuncSrc = kDPU_BlitBlendFuncGlSrcColor;
config->blueBlendFuncDst = kDPU_BlitBlendFuncGlSrcColor;
config->alphaBlendFuncSrc = kDPU_BlitBlendFuncGlSrcColor;
config->alphaBlendFuncDst = kDPU_BlitBlendFuncGlSrcColor;
config->redBlendMode = kDPU_BlitBlendModeGlFuncAdd;
config->greenBlendMode = kDPU_BlitBlendModeGlFuncAdd;
config->blueBlendMode = kDPU_BlitBlendModeGlFuncAdd;
config->alphaBlendMode = kDPU_BlitBlendModeGlFuncAdd;
Parameters
configPointer to the configuration structure.
void DPU_SetBlitBlendConfig ( IRIS_MVPL_Type *  base,
dpu_unit_t  unit,
const dpu_blit_blend_config_t config 
)
Parameters
baseDPU peripheral base address.
unitDPU unit, see dpu_unit_t, must be BlitBlend unit here.
configPointer to the configuration structure.
void DPU_EnableBlitBlend ( IRIS_MVPL_Type *  base,
dpu_unit_t  unit,
bool  enable 
)

The BlitBlend unit could be runtime enabled or disabled, when disabled, the primary input is output directly.

Parameters
baseDPU peripheral base address.
unitDPU unit, see dpu_unit_t, must be BlitBlend unit here.
enablePass true to enable, false to disable.
void DPU_LayerBlendGetDefaultConfig ( dpu_layer_blend_config_t config)

The default value is:

config->constAlpha = 0U;
config->secAlphaBlendMode = kDPU_BlendOne;
config->primAlphaBlendMode = kDPU_BlendZero;
config->secColorBlendMode = kDPU_BlendOne;
config->primColorBlendMode = kDPU_BlendZero;
config->enableAlphaMask = true;
config->alphaMaskMode = kDPU_AlphaMaskPrim;
Parameters
configPointer to the configuration structure.
void DPU_SetLayerBlendConfig ( IRIS_MVPL_Type *  base,
dpu_unit_t  unit,
const dpu_layer_blend_config_t config 
)
Parameters
baseDPU peripheral base address.
unitDPU unit, see dpu_unit_t, must be LayerBlend unit here.
configPointer to the configuration structure.
void DPU_EnableLayerBlend ( IRIS_MVPL_Type *  base,
dpu_unit_t  unit,
bool  enable 
)

If enabled, the blend result is output, otherwise, the primary input is output.

Parameters
baseDPU peripheral base address.
unitDPU unit, see dpu_unit_t, must be LayerBlend unit here.
enablePass true to enable, false to disable.
void DPU_InitConstFrame ( IRIS_MVPL_Type *  base,
dpu_unit_t  unit 
)
Parameters
baseDPU peripheral base address.
unitDPU unit, see dpu_unit_t, must be ConstFrame unit here.
void DPU_ConstFrameGetDefaultConfig ( dpu_const_frame_config_t config)

The default value is:

config->frameHeight = 320U;
config->frameWidth = 480U;
config->constColor = DPU_MAKE_CONST_COLOR(0xFF, 0xFF, 0xFF, 0xFF);
Parameters
configPointer to the configuration structure.
void DPU_SetConstFrameConfig ( IRIS_MVPL_Type *  base,
dpu_unit_t  unit,
const dpu_const_frame_config_t config 
)
Parameters
baseDPU peripheral base address.
unitDPU unit, see dpu_unit_t, must be ConstFrame unit here.
configPointer to the configuration structure.
void DPU_InitScaler ( IRIS_MVPL_Type *  base,
dpu_unit_t  unit 
)
Parameters
baseDPU peripheral base address.
unitDPU unit, see dpu_unit_t, must be HScaler or VScaler unit here.
void DPU_ScalerGetDefaultConfig ( dpu_scaler_config_t config)

The default value is:

config->srcReg = 0U;
config->inputSize = 0U;
config->outputSize = 0U;
Parameters
configPointer to the configuration structure.
void DPU_SetScalerConfig ( IRIS_MVPL_Type *  base,
dpu_unit_t  unit,
const dpu_scaler_config_t config 
)

The valid input source could be:

Parameters
baseDPU peripheral base address.
unitDPU unit, see dpu_unit_t, must be HScaler or VScaler unit here.
configPointer to the configuration structure.
void DPU_DisplayTimingGetDefaultConfig ( dpu_display_timing_config_t config)

The default value is:

config->flags = kDPU_DisplayDeActiveHigh;
config->width = 320U;
config->hsw = 32U;
config->hfp = 8U;
config->hbp = 40U;
config->height = 240U;
config->vsw = 4U;
config->vfp = 13U;
config->vbp = 6U;
Parameters
configPointer to the configuration structure.
void DPU_InitDisplayTiming ( IRIS_MVPL_Type *  base,
uint8_t  displayIndex,
const dpu_display_timing_config_t config 
)
Parameters
baseDPU peripheral base address.
displayIndexIndex of the display.
configPointer to the configuration structure.
void DPU_DisplayGetDefaultConfig ( dpu_display_config_t config)

The default value is:

config->enablePrimAlpha = false;
config->enableSecAlpha = false;
config->displayMode = kDPU_DisplayTest;
config->enablePrimAlphaInPanic = false;
config->enableSecAlphaInPanic = false;
config->displayModeInPanic = kDPU_DisplayTest;
config->constRed = 0x3FFU;
config->constGreen = 0x3FFU;
config->constBlue = 0x3FFU;
config->constAlpha = 1U;
config->primAreaStartX = 1U;
config->primAreaStartY = 1U;
config->secAreaStartX = 1U;
config->secAreaStartY = 1U;
Parameters
configPointer to the configuration structure.
void DPU_SetDisplayConfig ( IRIS_MVPL_Type *  base,
uint8_t  displayIndex,
const dpu_display_config_t config 
)
Parameters
baseDPU peripheral base address.
displayIndexIndex of the display.
configPointer to the configuration structure.
void DPU_StartDisplay ( IRIS_MVPL_Type *  base,
uint8_t  displayIndex 
)
Parameters
baseDPU peripheral base address.
displayIndexIndex of the display.
void DPU_StopDisplay ( IRIS_MVPL_Type *  base,
uint8_t  displayIndex 
)

This function stops the display and wait the sequence complete.

Parameters
baseDPU peripheral base address.
displayIndexIndex of the display.
void DPU_SetFrameGenInterruptConfig ( IRIS_MVPL_Type *  base,
uint8_t  displayIndex,
uint8_t  interruptIndex,
uint32_t  intConfig 
)
Parameters
baseDPU peripheral base address.
displayIndexDisplay index.
interruptIndexInterrupt index, there could be 4 interrupts for each display.
intConfigInterrupt mode, could be one of DPU_FRAME_GEN_INT_DISABLE, DPU_FRAME_GEN_INT_PER_LINE, and DPU_FRAME_GEN_INT_PER_FRAME.
void DPU_TriggerDisplayShadowLoad ( IRIS_MVPL_Type *  base,
uint8_t  displayIndex 
)

Trigger the display stream shadow load token, then the shadow register will be loaded at the begining of next frame.

Parameters
baseDPU peripheral base address.
displayIndexDisplay index.
void DPU_SignatureGetDefaultConfig ( dpu_signature_config_t config)

The default configuration is:

config->errorThreshold = 0U;
config->errorResetThreshold = 8U;
config->panicRed = 0U;
config->panicGreen = 0U;
config->panicBlue = 0U;
config->panicAlpha = 0U;
Parameters
configPointer to the configuration.
void DPU_InitSignature ( IRIS_MVPL_Type *  base,
uint8_t  displayIndex,
const dpu_signature_config_t config 
)
Parameters
baseDPU peripheral base address.
displayIndexDisplay index.
configPointer to the configuration.
void DPU_SignatureWindowGetDefaultConfig ( dpu_signature_window_config_t config)

The default configuration is:

config->controlFlags = 0U;
config->upperLeftX = 0U;
config->upperLeftY = 0U;
config->lowerRightX = 0U;
config->lowerRightY = 0U;
Parameters
configPointer to the configuration.
void DPU_SetSignatureWindowConfig ( IRIS_MVPL_Type *  base,
uint8_t  displayIndex,
uint8_t  windowIndex,
const dpu_signature_window_config_t config 
)
Parameters
baseDPU peripheral base address.
displayIndexDisplay index.
windowIndexEvaluation window index, should be 0 to 7.
configPointer to the configuration.
void DPU_EnableSignatureWindowCompute ( IRIS_MVPL_Type *  base,
uint8_t  displayIndex,
uint8_t  windowIndex,
bool  enable 
)

When enabled, a CRC signature is computed for all pixels inside this evaluation window, When disabled, the internal status for this window is reset (StsSigError bit and frame counters)

Parameters
baseDPU peripheral base address.
displayIndexDisplay index.
windowIndexEvaluation window index, should be 0 to 7.
enablePass true to enable, false to disable.
void DPU_EnableSignatureWindowCheck ( IRIS_MVPL_Type *  base,
uint8_t  displayIndex,
uint8_t  windowIndex,
bool  enable 
)

When enabled, the measured signature is checked against a reference value.

Parameters
baseDPU peripheral base address.
displayIndexDisplay index.
windowIndexEvaluation window index, should be 0 to 7.
enablePass true to enable, false to disable.
void DPU_GetSignatureWindowCrc ( IRIS_MVPL_Type *  base,
uint8_t  displayIndex,
uint8_t  windowIndex,
uint32_t *  redCRC,
uint32_t *  greenCRC,
uint32_t *  blueCRC 
)
Parameters
baseDPU peripheral base address.
displayIndexDisplay index.
windowIndexEvaluation window index, should be 0 to 7.
redCRCMeasured signature value of red.
greenCRCMeasured signature value of green.
blueCRCMeasured signature value of blue.
void DPU_SetSignatureWindowRefCrc ( IRIS_MVPL_Type *  base,
uint8_t  displayIndex,
uint8_t  windowIndex,
uint32_t  redCRC,
uint32_t  greenCRC,
uint32_t  blueCRC 
)
Parameters
baseDPU peripheral base address.
displayIndexDisplay index.
windowIndexEvaluation window index, should be 0 to 7.
redCRCReference signature value of red.
greenCRCReferencesignature value of green.
blueCRCReference signature value of blue.
uint32_t DPU_GetSignatureStatus ( IRIS_MVPL_Type *  base,
uint8_t  displayIndex 
)

This function returns the signature unit status. The return value could be compared to check the status defined in _dpu_signature_status. For example:

uint32_t status = DPU_GetSignatureStatus(DPU, 0);
if (kDPU_SignatureValid & status)
{
}

The error flags are also returned as an mask value, upper layer could get specific window status by checking the returned bit accordingly. For example,

uint32_t status = DPU_GetSignatureStatus(DPU, 0);
if ((1<<3) & status)
{
Window 3 error detected.
}
if ((1<<5) & status)
{
Window 5 error detected.
}
Parameters
baseDPU peripheral base address.
displayIndexDisplay index.
Returns
Mask value of status.
void DPU_TriggerSignatureShadowLoad ( IRIS_MVPL_Type *  base,
uint8_t  displayIndex 
)

When new configuration set by DPU_SetSignatureWindowConfig, DPU_EnableSignatureWindowCheck, DPU_EnableSignatureWindowCompute, and DPU_SetSignatureWindowRefCrc, use this function to trigger the shadow load, then the new configuration takes effect.

Upper layer should monitor the kDPU_Group0Sig0ShadowLoadInterrupt or kDPU_Group1Sig1ShadowLoadInterrupt to wait shadow load finished. New configurations should only be set after shadow load finished.

Parameters
baseDPU peripheral base address.
displayIndexDisplay index.